Anvendelsesomrade
Vertikale直列泵konstrueret,用于安装备用plads og samtidig v ' erre nem。请您访问我们的主页或者发送给我们电子邮件,垂询当前的信息和服务。
Kvalitetsikring
这是我最喜欢的。Maskindirektivet
Funktion & konstruktion
Vertikal kortkoblet in-line离心泵医学数据规格符合DIN 24255 / EN 733 (Vandnorm泵)。泵倾斜到ønskede漂移到医疗泵。Da ZLI serien er udført i in-line design kan installationen sidde direkte på rørledningen。
我们的服务是kan den hydaruliske del tages ud og services eres samtidig med at pumpehuset bliver siddende på rørinstallationen。
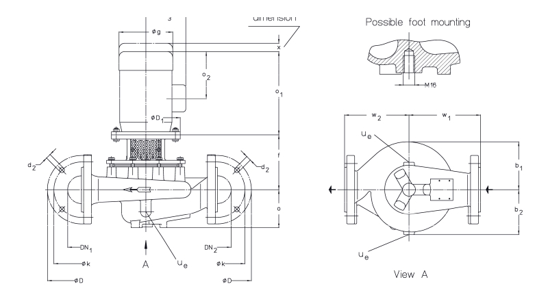
Mal 1450转
| 圣ørrelse |
IEC /千瓦 |
DN1/2 |
b1 |
b2 |
D1 |
f |
o |
o1群 |
w1 |
w2 |
| 40160 |
80/0, 55 |
40 |
113 |
114 |
200 |
167 |
82 |
253 |
180 |
160 |
| 40200 |
80/0, 55 |
40 |
133 |
127 |
200 |
167 |
90 |
253 |
200 |
180 |
|
80/0, 55 |
40 |
133 |
127 |
200 |
167 |
90 |
253 |
200 |
180 |
|
90/1, 1 |
40 |
133 |
127 |
200 |
167 |
90 |
298 |
200 |
180 |
| 50160 |
80/0, 55 |
50 |
121 |
119 |
200 |
167 |
90 |
253 |
190 |
160 |
|
80/0, 75 |
50 |
121 |
119 |
200 |
167 |
90 |
253 |
190 |
160 |
| 50200 |
80/0, 75 |
50 |
138 |
138 |
200 |
167 |
90 |
253 |
200 |
180 |
|
90/1, 1 |
50 |
138 |
138 |
200 |
167 |
90 |
298 |
200 |
180 |
|
90/1, 1 |
50 |
138 |
138 |
200 |
167 |
90 |
298 |
200 |
180 |
| 65160 |
80/0, 75 |
65 |
132 |
127 |
200 |
167 |
106 |
253 |
200 |
180 |
|
90/1, 1 |
65 |
132 |
127 |
200 |
167 |
106 |
298 |
200 |
180 |
| 65200 |
90/1, 1 |
65 |
147 |
143 |
200 |
167 |
106 |
298 |
215 |
200 |
|
90/1, 5 |
65 |
147 |
143 |
200 |
167 |
106 |
298 |
215 |
200 |
|
100/2 2 |
65 |
147 |
143 |
250 |
167 |
106 |
325 |
215 |
200 |
| 80160年,一个 |
80/0, 75 |
80 |
139 |
120 |
200 |
167 |
150 |
253 |
240 |
200 |
|
90/1, 1 |
80 |
139 |
120 |
200 |
167 |
150 |
298 |
240 |
200 |
|
90/1, 5 |
80 |
139 |
120 |
200 |
167 |
150 |
298 |
240 |
200 |
| 80200年,一个 |
90/1, 5 |
80 |
150 |
136 |
200 |
167 |
136 |
298 |
255 |
225 |
|
100/2 2 |
80 |
150 |
136 |
250 |
167 |
136 |
325 |
255 |
225 |
|
100/3 |
80 |
150 |
136 |
250 |
167 |
136 |
325 |
255 |
225 |
| 80160 B |
90/1, 1 |
80 |
148 |
137 |
200 |
167 |
120 |
298 |
240 |
200 |
|
90/1, 5 |
80 |
148 |
137 |
200 |
167 |
120 |
298 |
240 |
200 |
|
100/2 2 |
80 |
148 |
137 |
250 |
162 |
120 |
325 |
240 |
200 |
| 80200 B |
90/1, 5 |
80 |
165 |
155 |
200 |
167 |
120 |
298 |
255 |
225 |
|
100/2 2 |
80 |
165 |
155 |
250 |
167 |
120 |
325 |
255 |
225 |
|
100/3 |
80 |
165 |
155 |
250 |
167 |
120 |
325 |
255 |
225 |
| 100160 |
90/1, 5 |
One hundred. |
165 |
145 |
200 |
167 |
150 |
298 |
275 |
225 |
|
100/2 2 |
One hundred. |
165 |
145 |
250 |
162 |
150 |
325 |
275 |
225 |
|
100/3 |
One hundred. |
165 |
145 |
250 |
162 |
150 |
325 |
275 |
225 |
| 100200 |
100/3 |
One hundred. |
180 |
162 |
250 |
183 |
150 |
325 |
275 |
250 |
|
112/4 |
One hundred. |
180 |
162 |
250 |
183 |
150 |
350 |
275 |
250 |
|
132/5, 5 |
One hundred. |
180 |
162 |
300 |
226 |
150 |
435 |
275 |
250 |
| 150200 |
112/4 |
150 |
150 |
173 |
250 |
183 |
188 |
350 |
350 |
280 |
|
132/5, 5 |
150 |
150 |
173 |
300 |
226 |
188 |
435 |
350 |
280 |
|
132/7, 5 |
150 |
150 |
173 |
300 |
226 |
188 |
435 |
350 |
280 |
Mal 2900转
| 圣ørrelse |
IEC /千瓦 |
DN1/2 |
b1 |
b2 |
D1 |
f |
o |
o1群 |
w1 |
w2 |
| 40160 |
90/2 2 |
40 |
113 |
114 |
200 |
167 |
82 |
298 |
180 |
160 |
|
100/3 |
40 |
113 |
114 |
250 |
162 |
82 |
325 |
180 |
160 |
|
112/4 |
40 |
113 |
114 |
250 |
162 |
82 |
350 |
180 |
160 |
| 40200 |
112/4 |
40 |
133 |
127 |
250 |
167 |
90 |
350 |
200 |
180 |
|
132/5, 5 |
40 |
133 |
127 |
300 |
210 |
90 |
435 |
200 |
180 |
|
132/7, 5 |
40 |
133 |
127 |
300 |
210 |
90 |
435 |
200 |
180 |
| 50160 |
100/3 |
50 |
121 |
119 |
250 |
162 |
90 |
325 |
190 |
160 |
|
112/4 |
50 |
121 |
119 |
250 |
210 |
90 |
350 |
190 |
160 |
|
132/5, 5 |
50 |
121 |
119 |
300 |
210 |
90 |
435 |
190 |
160 |
| 50200 |
132/5, 5 |
50 |
138 |
138 |
300 |
210 |
90 |
435 |
200 |
180 |
|
132/7, 5 |
50 |
138 |
138 |
300 |
210 |
90 |
435 |
200 |
180 |
|
160/11 |
50 |
138 |
138 |
350 |
210 |
90 |
454 |
200 |
180 |
| 65160 |
112/4 |
65 |
132 |
127 |
250 |
210 |
106 |
350 |
200 |
180 |
|
132/5, 5 |
65 |
132 |
127 |
300 |
210 |
106 |
435 |
200 |
180 |
|
132/7, 5 |
65 |
132 |
127 |
300 |
210 |
106 |
435 |
200 |
180 |
|
160/11 |
65 |
132 |
127 |
350 |
210 |
106 |
545 |
200 |
180 |
| 65200 |
132/7, 5 |
65 |
147 |
143 |
300 |
210 |
106 |
435 |
215 |
200 |
|
160/11 |
65 |
147 |
143 |
350 |
210 |
106 |
545 |
215 |
200 |
|
160/15 |
65 |
147 |
143 |
350 |
210 |
106 |
545 |
215 |
200 |
| 80160年,一个 |
132/5, 5 |
80 |
139 |
120 |
300 |
210 |
150 |
435 |
240 |
200 |
|
132/7, 5 |
80 |
139 |
120 |
300 |
210 |
150 |
435 |
240 |
200 |
|
160/11 |
80 |
139 |
120 |
350 |
210 |
150 |
545 |
240 |
200 |
| 80200年,一个 |
160/11 |
80 |
150 |
136 |
350 |
210 |
136 |
545 |
255 |
225 |
|
160/15 |
80 |
150 |
136 |
350 |
210 |
136 |
545 |
255 |
225 |
|
160/18, 5 |
80 |
150 |
136 |
350 |
210 |
136 |
545 |
255 |
225 |
| 80160 B |
132/7, 5 |
80 |
148 |
137 |
300 |
210 |
120 |
435 |
240 |
200 |
|
160/11 |
80 |
148 |
137 |
350 |
210 |
120 |
545 |
240 |
200 |
|
160/15 |
80 |
148 |
137 |
350 |
210 |
120 |
545 |
240 |
200 |
| 80200 B |
160/15 |
80 |
165 |
155 |
350 |
210 |
120 |
545 |
255 |
225 |
|
160/18, 5 |
80 |
165 |
155 |
350 |
210 |
120 |
545 |
255 |
225 |
|
180/22, 5 |
80 |
165 |
155 |
350 |
210 |
120 |
600 |
255 |
225 |
|
200/30 |
80 |
165 |
155 |
400 |
210 |
120 |
673 |
255 |
225 |
| 100160 |
160/11 |
One hundred. |
165 |
145 |
350 |
210 |
150 |
545 |
275 |
225 |
|
160/15 |
One hundred. |
165 |
145 |
350 |
210 |
150 |
545 |
275 |
225 |
|
160/18, 5 |
One hundred. |
165 |
145 |
350 |
210 |
150 |
545 |
275 |
225 |
| 100200 |
160/18, 5 |
One hundred. |
180 |
162 |
350 |
226 |
150 |
545 |
275 |
250 |
|
180/22 |
One hundred. |
180 |
162 |
350 |
226 |
150 |
600 |
275 |
250 |
|
200/30 |
One hundred. |
180 |
162 |
400 |
226 |
150 |
673 |
275 |
250 |
| 150200 |
180/22 |
150 |
203 |
173 |
350 |
226 |
188 |
600 |
350 |
280 |
|
20030 |
150 |
203 |
173 |
400 |
226 |
188 |
673 |
350 |
280 |
|
200/37 |
150 |
203 |
173 |
400 |
226 |
188 |
673 |
350 |
280 |
法兰ørrelser
| DIN 2501 PN16 |
|
|
|
|
|
|
| DN2 / DN1 |
40 |
50 |
65 |
80 |
One hundred. |
150 |
| D |
150 |
165 |
185 |
200 |
220 |
285 |
| K |
110 |
125 |
145 |
160 |
180 |
240 |
| D2 antal |
18 x4 |
18 x4 |
18 x4 |
18×8 |
18×8 |
23的混合体 |
电动机
| 2900转 |
|
|
1450转 |
|
|
| 千瓦 |
IEC圣ørrelse |
Kode |
千瓦 |
IEC圣ørrelse |
Kode |
| 0, 75 |
80 |
足总 |
0, 55 |
80 |
神奇动物 |
| 1,1 |
80 |
遗传算法 |
0, 75 |
80 |
GB |
| 1,5 |
90年代 |
哈 |
1,1 |
90年代 |
乙肝 |
| 2、2 |
90升 |
晶澳 |
1,5 |
90升 |
简森-巴顿 |
| 3. |
100升 |
卡 |
2、2 |
100升 |
KB |
| 4 |
112米 |
马 |
3. |
100升 |
磅 |
| 5、5 |
132年代 |
NA |
4 |
112米 |
MB |
| 7,5 |
132年代 |
办公自动化 |
5、5 |
132年代 |
注 |
| 11 |
160米 |
SA |
7,5 |
132米 |
PB |
| 15 |
160米 |
助教 |
|
|
|
| 18日,5 |
160升 |
UA |
|
|
|
| 22 |
180米 |
弗吉尼亚州 |
|
|
|
| 30. |
200升 |
XA |
|
|
|
| 37 |
200升 |
丫 |
|
|
|