Anvendelsesområde.
Sihi Hedtvandspumper Egner Sig Til Flere Forskellige加工器Og Industrier,SOM for Eksempel Energiproduktion,Hedtvandsinstallationer,Fjernvarme M.M.
kvalitetsikring.
pumperne er cemærketiht。MaskIndirektivet.
Funktion&Konstruktion
HVER泵送敌人加工器漂移MED MEDSKELLIG HYDRAULIK OG Neddrejet Pumpehjul。ZDN ER Designet TIL ATHåndtereHedtvandop Til 207°C Med En Enkelt MekaniskTætning。Pumpen Er KontueretSåledes在TætningenERPLAPERETLENNICTENI Puppehuset,HVOR Specionaturen KunNårMax。90°C,Selvom Specticaturen VEDIndløbetER200°C。Designet I Henhold TIL EN 22858 / DIN 24256. Pumpen ER Modulopbygget Med etsåkaldt“返回拔出”设计,Hvor Pumpenhuset Kan Blive Siddende I InstallateN Ved ServicePåduldrauliskeDelAF Pulen。
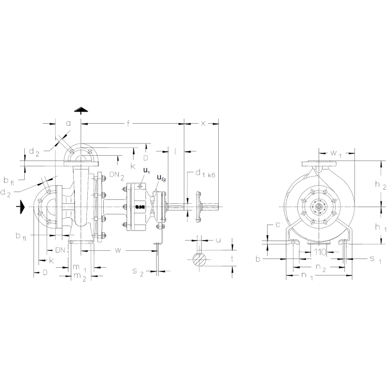
Mål.
| størelse. |
DN2. |
DN1. |
一种 |
B. |
C |
F |
H1. |
H2. |
M1 |
M2 |
N1. |
N2. |
S1 |
S2 |
W. |
W1. |
X |
D1 |
一世 |
T. |
你 |
| 32160. |
32. |
50. |
80 |
50. |
17. |
385. |
132. |
160. |
100. |
70 |
240. |
190 |
M12. |
M12. |
285. |
120. |
100. |
24. |
50. |
27. |
8. |
| 32200 |
32. |
50. |
80 |
50. |
17. |
385. |
160. |
180. |
100. |
70 |
240. |
190 |
M12. |
M12. |
285. |
140. |
100. |
24. |
50. |
27. |
8. |
| 32250. |
32. |
50. |
100. |
65. |
17. |
500. |
180. |
225. |
125. |
95. |
320. |
250. |
M12. |
M12. |
370. |
170. |
100. |
32. |
80 |
35. |
10. |
| 40160. |
40. |
65. |
80 |
50. |
17. |
385. |
132. |
160. |
100. |
70 |
240. |
190 |
M12. |
M12. |
285. |
125. |
100. |
24. |
50. |
27. |
8. |
| 40200 |
40. |
65. |
100. |
50. |
17. |
385. |
160. |
180. |
100. |
70 |
265. |
212. |
M12. |
M12. |
285. |
150. |
100. |
24. |
50. |
27. |
8. |
| 40250. |
40. |
65. |
100. |
65. |
17. |
500. |
180. |
225. |
125. |
95. |
320. |
250. |
M12. |
M12. |
370. |
170. |
100. |
32. |
80 |
35. |
10. |
| 40315 |
40. |
65. |
125. |
65. |
20. |
500. |
200. |
250. |
125. |
95. |
345. |
280. |
M12. |
M12. |
370. |
205. |
100. |
32. |
80 |
35. |
10. |
| 50160. |
50. |
80 |
100. |
50. |
17. |
385. |
160. |
180. |
100. |
70 |
265. |
212. |
M12. |
M12. |
285. |
135. |
100. |
24. |
50. |
27. |
8. |
| 50200. |
50. |
80 |
100. |
50. |
17. |
385. |
160. |
200. |
100. |
70 |
265. |
212. |
M12. |
M12. |
285. |
160. |
100. |
24. |
50. |
27. |
8. |
| 50250. |
50. |
80 |
125. |
65. |
17. |
500. |
180. |
225. |
125. |
95. |
320. |
250. |
M12. |
M12. |
370. |
175. |
100. |
32. |
80 |
35. |
10. |
| 50315. |
50. |
80 |
125. |
65. |
20. |
500. |
225. |
280. |
125. |
95. |
345. |
280. |
M12. |
M12. |
370. |
215. |
100. |
32. |
80 |
35. |
10. |
| 65160. |
65. |
100. |
100. |
65. |
17. |
500. |
160. |
200. |
125. |
95. |
280. |
212. |
M12. |
M12. |
370. |
155. |
100. |
32. |
80 |
35. |
10. |
| 65200. |
65. |
100. |
100. |
65. |
17. |
500. |
180. |
225. |
125. |
95. |
320. |
250. |
M12. |
M12. |
370. |
175. |
140. |
32. |
80 |
35. |
10. |
| 65250. |
65. |
100. |
125. |
80 |
20. |
500. |
200. |
250. |
160. |
120. |
360. |
280. |
M16 |
M12. |
370. |
195 |
140. |
32. |
80 |
35. |
10. |
| 80160. |
80 |
125. |
125. |
65. |
17. |
500. |
180. |
225. |
125. |
95. |
320. |
250. |
M12. |
M12. |
370. |
170. |
140. |
32. |
80 |
35. |
10. |
| 80200. |
80 |
125. |
125. |
65. |
17. |
500. |
180. |
250. |
125. |
95. |
345. |
280. |
M12. |
M12. |
370. |
185. |
140. |
32. |
80 |
35. |
10. |
| 80250. |
80 |
125. |
125. |
80 |
20. |
500. |
225. |
280. |
160. |
120. |
400 |
315. |
M16 |
M12. |
370. |
205. |
140. |
32. |
80 |
35. |
10. |
| 100160.1) |
100. |
125. |
140. |
80 |
20. |
500. |
200. |
280. |
160. |
120. |
360. |
280. |
M16 |
M12. |
370. |
210. |
140. |
32. |
80 |
35. |
10. |
| 100200. |
100. |
125. |
125. |
80 |
20. |
500. |
200. |
280. |
160. |
120. |
360. |
280. |
M16 |
M12. |
370. |
210. |
140. |
32. |
80 |
35. |
10. |
| 100250. |
100. |
125. |
140. |
80 |
20. |
530. |
225. |
280. |
160. |
120. |
400 |
315. |
M16 |
M12. |
370. |
215. |
140. |
42. |
110. |
45. |
12. |
| 1252001) |
125. |
150. |
140. |
80 |
20. |
530. |
250. |
315. |
160. |
120. |
400 |
315. |
M16 |
M12. |
370. |
245. |
140. |
42. |
110. |
45. |
12. |
| 125250. |
125. |
150. |
140. |
80 |
20. |
530. |
250. |
355. |
160. |
120. |
400 |
315. |
M16 |
M12. |
370. |
240. |
140. |
42. |
110. |
45. |
12. |
| 1)TransnormPumpestørrelserikke Inkluderet i DIN EN 22858 |
|
|
|
|
|
|
|
|
|
|
|
|
|
|
|
|
|
|
|
|
|
Flangemålimm。
| DIN EN 1092-2 PN40 |
|
|
|
|
|
|
|
|
| DN2 / DN1. |
32. |
40. |
50. |
65. |
80 |
100. |
125. |
150. |
| D. |
140. |
150. |
165. |
185. |
200. |
235. |
270. |
300 |
| K. |
100. |
110. |
125. |
145. |
160. |
190 |
220. |
250. |
| D2 antal. |
19x4 |
19x4 |
19x4 |
19x8 |
19x8 |
23x8 |
28x8 |
28x8 |
Detaljer.
|
|
| 紫外线 |
AfluftningTætningskammerg 1/8 |
| UFG. |
FedtPåfyldningnnippelg 1/8 |