Hoppa直到innehall
在1148年一个

Kagelbackventil在1148

Backventil för i huvudsak vätskesystem med rena medier och små flöden, tryckluftsystem, korrosiva vätskor och gaser samt instrumentledningar。

Dimensionsomrade DN 8到DN 25
PN 138年到207年
Temperaturomrade -45ºC至+190°C
材料 Rostfritt syrafast“斯太尔

变体

Artikelnummer Tatningsmaterial DN PN 温(°C) Anslutning Avs.datum Bruttopris Antal
1148 (DN) V 氟橡胶 8-25 138 - 207 23 - 190 Invandig恒河 Forfragan Forfragan Offert
在1148年(DN) E 三元乙丙橡胶 8-25 138 - 207 45 - 148 Invandig恒河 Forfragan Forfragan Offert

Produktinformation

Anvandningsomrade

Backventil för i huvudsak
- vätskesystem med Rena media och små flöden
——tryckluftsystem
- korrosiva vätskor och gaser
——instrumentledningar

AMA-text

ps .31 Backventiler i vätskesystem
Backventil AT 1148, G…, med hus av rostfritt stål, kägla av rostfritt stål med mjuktätning av…, PN 10所示。

Kvalitetssakring

Samtliga ventiler täthetsprovas på fabrik。

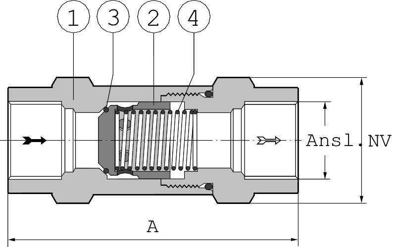
Detaljforteckning

Pos Komponent 材料
1 Ventilhus Rostfritt“斯太尔1.4436
2 Kagla Rostfritt“斯太尔1.4436
3. o形环 氟橡胶/三元乙丙橡胶
4 Fjader Rostfritt“斯太尔1.4436

马特och vikt

Ansl。 G 1/4 G 3/8 G 1/2 G 3/4 G 1
Langd (A) 53 76 90 104 123
NV 14 17 22 29 38
Vikt 0105年 0125年 0260年 0400年 0650年
Mått i mm, vikt i kg。

Funktion och konstruktion

文特伦哈fjäderbelastad kägla, vilket medför att den kan monteras i valfritt inbyggnadsläge, samt att den stänger innan mediaströmmen vänder。

Tekniska数据

文特纳哈尔索姆标准ett öppningstryck av 0.02 bar。
(G1 har öppningstryck 0,1 bar.)

Tryck och温

Arbetstryck,马克斯 G1/4-G1/2 207条(e)
G3/4-G1 138条(e)
氟橡胶 -23年至+ 185°C
三元乙丙橡胶 -45年至+ 148°C

Tillbehor och变体

Vid större kvantiteter kan ventilerna levereras med andra anslutningar, tätningar och öppningstryck。

安装

Anslutning:invandig rorganga。
Valfritt inbyggnadslage。

Markning

Fabrikat, anslutning, öppningstryck och flödespil。

Bestallningsnyckel

a15v Exempel: 1148
在1148 一个 15 V
Fig. nr。 Anslutningsform Ansl。 o形环
一个=发票。恒河

V =氟橡胶

B =水下电视。恒河 E =三元乙丙橡胶
C =让洛克

Relaterade produkter

那artiklar

Elektriskt manöverdon AT 3950 (30-500 Nm)

Elektriskt flervarvsmanöverdon för kilslidsventiler, skjutspjäll, kägelventiler eller där flervarvsrörelse…

Valj

库文提尔3500美元,3520美元

Kulventil med reducerat genomlopp av rostfritt stål/CPTFE med svetsändar alt. inv. gängor och fästfläns…

Valj

Kulventil AT 3712 VIRIDI

Hög ventilhals, full genomlopp, PN 10, presspex kopplingar och stålhandtag。Kulventil av avzinkningshardig……

Valj

在4698 b Sakerhetsventil

Friblåsande säkerhetsventil (utan utlop sanslutning) av mässing。Mjuktatad kagla(氟橡胶)。Inlopp utvandig……

Valj

Kunskap

Kunskapsguide Tryckavsakring

En snabbguide för dig som behöver vägledning om avsäkring av tryckbärande anorning。Du får anvisningar om vilken av säkerhetsventil som behövs för en visp av安装。Likaså råd om hur man ska beräkna erforderlig kapacitet för en säkerhetsventil。Dessutom behandlas ljuddampare。

Ta reda på mer

Verktyg

Det kan vara svårt att veta vad man behöver tänka på, våra valtabeller och formulär hjälper dig att välja rätt utförande och dimension。

Hitta ditt verktyg

服务

Vi tar hand om真主安拉ventiler som behöver service, oavsett fabrikat eller storlek。

Läs mer om vårt serviceerbjudande

Kontaktpersoner

马格努斯林德伯格

Innesaljare

031 - 89年01 81
magnus.lindberg@armatec.se

桑德拉Sjoberg

Innesaljare

031 - 89年01 79
sandra.sjoberg@armatec.se

米娅然而

Innesaljare

031 - 89年01 86
mia.sepp@armatec.se

米娅钩

Ventiler och Automation公司

031 - 89年02 38
mia.hook@armatec.se

维克多•汉森

Teknisk Saljare, Entreprenad

031 - 89年02 39
viktor.hansson@armatec.se

苏珊没有戒指

Innesaljare

031 - 89年02 17
susanne.noring@armatec.se

玛丽埃克

Innesaljare

031 - 89年01 62
marie-louise.ek@armatec.se

这是våra概念

泛汰尔&自动化

En bra anläggning ska gå att styra tillförlitligt, dag ut och dag in。我们可以在håller utifrån medietyp, tryck, temperatur, normer och lagkrav上安装现代设备。

拉斯维加斯mer