Hoppa TillInnehåll.
在8484MP 阿尔法拉瓦尔

Alfa Laval Mini PlusFjärrvärmecentral8484MP

FörtillverkadAlfa Laval Mini PlusFjärrvärmecentralförtappvarmvattenberedningochUppvärmningavlägenheter,enfamiljshus och flerbostadshus。MED VVC。HelautomatisktHearingharegleringFörBådeVärmeoch varmvatten。Styr-Och Reglerutrustning。levereras med oisoleradkåpa。所有Utrustning Monterad Inkl。实习生麋鹿。FörVäggMontage。UtgångenArtikelersättesav 8484a-mp

Effektområde. 20 kW到70 kW
泵与 Grundfos Alpha2L 16/60 Alternativ Magna 25-100
泵VVC. Grundfos UPSO 15/55 CIL2

UtgångenPropukt.

DennaProduktÄrutgången

Varianter.

artikelnummer. Mätsträcka. lgh vv(antal) effekt vs(kw) Reglerutrustning. AVS.DATUM Bruttopris. antal.
8484mp-h。RSK 6802875. HorisontellGängad. 1-12 20-70 Grundfos Alpha. 霍尼韦尔CM737. Förfrågh. Förfrågh. 优惠
在8484MP-SR。RSK 6802876. HorisontellGängad. 1-12 20-70 Grundfos Alpha. 西门子RVD144 Förfrågh. Förfrågh. 优惠
在8484mp-m-h。 HorisontellGängad. 1-12 20-70 Grundfos magna. 霍尼韦尔CM737. Förfrågh. Förfrågh. 优惠
在8484MP-M-SR。 HorisontellGängad. 1-12 20-70 Grundfos magna. 西门子RVD144 Förfrågh. Förfrågh. 优惠

produktinformation

Användningsområde.

Standardiserad komplettfjärrvärmecentralförupvärmningoch tappvarmvattenberedning i villor och flerbostadshus(1-12 lgh)。螺旋蛋白Kopplas Directkt TightFjärrvärmenätetoch安装kan Enkelt AnpassasefterFörutsättntnarnaItafightenettörörthfrittkan anslutasuppåtellernedåt。Den Kombinerade Reglercentralenen / Rumsgivaren Kan InstallerasUtanförfjärrrvärmecentralen-瓦弗里特Påvägg。

ama-text.

pjb.0 * sammansattavärmeväxlarenheter
PrefabricerAdVärmeväxLarenhet在8484MP,MedLöddaVärmeväxlare,Styr-Reglerutning,Pumpar Och Armaturer。所有UTRASTINGÄRANPASSADFörVäggMontage,Inkl Intern Elkoppling。

kvalitetssäkring.

VärmeväxlareGillverkas在Egenkontroll下IngigeLet MedTryckkärlsdirektierektiere(Ped)2014/68 /欧盟,Sammanbyggnaden AvVäxlaneheten溜冰广播机·恩格斯·弗雷斯·阿布雷斯·阿弗斯2016:1

Alla Plattor OchRörivärmeväxlanÄRintlverkade av syrafast rostfrittstål。KomponenternaÄR测试SåAttde Fungerar i Genighet Med Alfa Lavals KvalitettsSystem ISO 9001:2008

Tekniska数据

driftsdata. max drifttryck.
MPA.
Max Drifttemperatur
°C.
ÖppningStryckSäkerhetsventil.
MPA.

L.
fjärrvärme. 1,6 120. - 1,01 / 1,47
散热器 1,0 100. 0,25 1,05
tappvarmvatten. 1,0 100. 0,9. 1,62

Tekniska数据

prestanda vidtillgängligtprimärtdigratenstryck 100-600 kpa
温度计划(ºC) effekt(kW) primärtflöde(L / s) Verklig Returtemp。(ºC) sekundärflöde(L / s)
Varmvattenkrets.
80-22 / 10-55 113. 0,42 16. 0,60
70-25 / 10-58 100. 0,48 20. 0,50
65-22 / 10-55 113. 0,63 22. 0,60
65-22 / 10-55 82. 0,43 20. 0,43
värmekrets.
115-65 / 60-80 66 * 0.30 62. 0,79.
100-63 / 60-80 57 * 0,37 63. 0,68
100-53 / 50-70. 65 * 0,33 52. 0,78
100-33/30-37 23 * 0,08 31. 0,79.
*Muda Magna泵

汤姆

konstruktion och funktion

KomplettInstallationsfärdigfjärrvärmecentralsom monteraspåväggochÄrmycket kompakt。Med AutomatisktHearingAlregleringFörBådeVärmeoch varmvatten。VärmenStyrsMedavseendePåutemperaturenochÖnskadrumstemperatur通过Reglercentral,Framledningsgivare Samt GivareFörbådeUtomhusOch Onomhus。CirkulationsPumpenPåVS Kretsen Stannar AutomatisktNärIngenVärmeBehövs,Moming MotterasRegelbundetFörathtängreStertånd下的InteKärva。ManöverpanelMedTillhörandeInomhusgivareMedföljeralltid,VilletMedförÖkadKomfortOch Sparar Energi。

VarmvattnetVärmsiensecondvärmeväxlare,vilket garanterar att varmvattnet alltidärlikafräschtsom Inkommande Kallvatten。HefernaturregulatornKännerAvoch雷丁·韦尔德·沃尔图伦特·弗拉特克特IVäxlan.FabriksMonteradinvändigeldragning ochförprogrameradreglercentral samt starkprackpanslutningenförenklaringångkörningen。Energianvändndndenenregistreras AVEnergileverantörenGenom atts RegistreraMängdenAvfjärrvärmevattenSOMPasserarAnläggningenOch Dels Clectursurskillnaden MellanFjärrrvärmetillopp och Retur。

令人讨厌的

Fjärrvärmecentralen8484MP Levereras Kompettet Med Antingen Honeywell CM737 Eller Siemens RVD144 Reglerutrustning Inkl Givare,Rumspanel,Ställdonoch utegivare。

CM737
VärmekretsStyrventil Honeywell V5825B kVs 1,0
Varmvatten Styrventil Samson 2432n kvs 2,5

RVD144
Värmekretsstyrventil Siemens vvg549kvs 1,0
Varmvatten Styrventil Siemens VVG549 KVS 1,6

Elektriska数据:230V,1-FAS。120W.

detaljförteckning

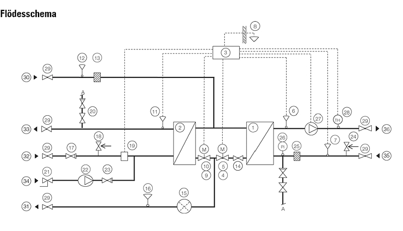
Komponentlista
fjärrvärmekrets. tappvarmvattenkrets. Radiatorkrets.

tillval / reglerutr.

12.温度下载intlopp.

2.VärmeväxlareCB30-60-3V,VV 1.VärmeväxlareCB18-54H,VS

8.伊蒂格拉

13.Filter. 9. Styrventil. 3.OperatörspanelMed Kopplingsbox 19.flödesvakt(蒂瓦尔)
15. PassbitFörEnergimätare1“x 130mm
10.Ställdon. 4. Styrventil. 28.Golvvärmetermostat(Tilval)
16.温度下载returning 11. Framledningsgivare.

5.Ställdon.

30.FjärrvärmeTilopp. 18.Säkerhetsventil. 6. Framledningsgivare.
31.Fjärrvärmeretur 21.Injustringsventil VVC 7. Returledningsgivare.
22. cirkulationspump vvc.
UPSO 15/55.

14.Sommaravstängningsventil.

23. Backventil VVC. 17. Backventil,Kallvatten
32. Kallvatten. 20.Påfyllning.

33. Varfvatten.

24.Säkerhetsventil.
34. TAPPVARMVATTENCIRKULATION. 25.过滤
26.压力计
27. CirkulationPump *
35.VärmekretsRetur ..
36.Värmekretstillopp.
mässingsdetaljeräriavzinkningshärdigkvalitet。
Anslutningarfjärrvärmedn20,invgängade。
AnslutningarVärmeDN25,invgängade
RörenAnslutsvalfrittUppåtoch / ellerneråt。
avstängningsventileringårochföljermed我勒索曼。
oisoleradkåpa
* vs cirkulationspump,fabrikat grundfos alpha2l 15/60 alternativ magna 25-100

måttoch vikt.

在8484MP
vikt elpet,kg 33.
ViktKåpa,千克 5.
Bredd,MM 600
Höjd,mm 1000
djup,mm 470.

安装

Enkel安装Med avseendepåflerafördelarikonstruktionensåsomkompaktamått,lågvikt,välgenomtänktrördragningoch fabriksmonterad inv。Eldragning。FörprogrammeradReglercentraloch StickPr.ppsanslutningenförenkaringångkörningen。

Efter Transport Och Hanting VID安装ÄRSTEDMycket Viktigt Att Angetens Samtliga Kopplingar Efterdras Och Kontrolleras。DettaGörsInnanChengenTenTas I Bruk,Såat槟ChangeUppstår。OM服务Eller Byte AV KomponenterBehöverUTFÖRASVIDETTENARTFÄRÄRALLADELARLÄTTATATKMONAÅToch kan bytas sectionat。KräveringenÖvervakningellerUnderhålloch har mycketlånglivslängd。

Märkning.

Påfjärrvärmecentralensmärkskyltfinnsuppgifter om adchning och tillverkningsnummer。
Mini PlusÄRCE-Märkt。

Beställningsnyckel.

AT-NR. Reglercentral. PumpFabrikat VS + VVC RSK.
8484mp-h 霍尼韦尔H737 Grundfos Alpha2L 15/60 + UPSO 15/55 680 28 75.
8484MP-SR 西门子RVD144 Grundfos Alpha2L 15/60 + UPSO 15/55 680 28 76.
在8484mp-m-h 霍尼韦尔H737 Grundfos Magna 25-100 + Upso 15/55
8484mp-m-sr 西门子RVD144 Grundfos Magna 25-100 + Upso 15/55

汤姆

汤姆

Reasterade Produkter.

NYA Artiklar.

Fjärrvärmecentralmaxi flex在8472

Armatec Maxi FlexFjärrvärmecentralat 8472FörtappvarmvattenberedningochUppvärmningAv Flerfamiljshus ...

välj.

昆斯克省

Alfa Laval产品指南

HärKandeNkeltDimensionera Eller Hitta denPlattvärmeväxlareSomBästPastarDuKanävenFåHjälpAttersättaEnBefintligVäxlareFörmvattenellerVärme。

Testa Alfa Laval产品指南

kunskapsguidevärmeväxling.

AttVäljaRättVärmeväxlareKanVaraSvårt。VåraKunskapsguiderBeskriverVikten Av En Korrekt DimensioneradVärmeväxlare,HurAhriGörsillnadSamt Reder ut和vanligaFrågeteckenkringVärmeväxling。

lärdig mer.

verktyg.

RättLösningKräverRättVerktyg。vi har valtabeller,förfrågningsformuläroch en besparingssimulator直到dinhjälp。

hitta dittverktyg.

Utbildning.

VI VET HURDUÖKAR温度耐瑟省梅兰·弗拉姆 - OCH Returledning。TillsammansGörVISkillnadFördinaKunder。

läsmeromvårautbildningar

电影

Vill Du Veta HurPackningsförseddaVärmeväxlareFargerar?Ta del av Denna pedagogiska薄膜som ger dig svaret。

se filmen.

hand

Ta del avvårsamlade kunskap om accumulering,Värmeväxlareoch系统förpplikationerinomfjärrrvärmeochfjärrkyla。

väljhandbok.

服务

VI erbjuder snabb ochpålitlig服务。litapåattvilöser问题omdetörutseddahänder。

läsmeromvårtserviceerbjudande

kontaktpersoner.

Emelie Winbom.

Marknads-&Produktansvarig,Fjärrvärme-&fjärrkylcentraler

031-89 01 75.
emelie.winbom@armatec.se.se.

哥伦约翰逊

Marknads-&Produktansvarig,Fjärrvärme-&fjärrkylcentraler

031-89 01 63.
goran.johansson@armatec.se.se.

佩鲁泽Özmen.

Marknads-&Produktansvarig,Fjärrvärme-&fjärrkylcentraler

031-89 02 92.
Peyruze.ozmen@armatec.se.se.se.se

mer omvårakoncept

värmeväxling&ackumulling.

Det Blir Allt Viktigare AttHushållaMedigheriighteter。vi utvecklar systemförvärmeoch varmvattensomärhållbaraoch som Allt oftare Kombinerar FleraEnergikällor。

läsmer.

Fjärrvärmecentralmaxi紧凑型在8485mc

Maxi CompactÄRVärldensFörstaKomplettaSerieAv Flexibla Och KompaktaFjärrvärmeCenterMedEnbartAhri-CertieradeKopparlöddaVärmeväxlare。

läsmerom maxi compact

Alfa Laval产品选择工具

Det Ska VaraLättTATTATHTATARTTOCH VI Vill AlltidUnderlätttaVardagenFörvåraKunder。Nu Har Alfa Laval LanserateTTVerktygFöratuPåSmidigastMöjligaSättSkaHittaen Produkt直到Din Depplikation InomVärmeoch Kyla SomBästDina Behov。Verktyget Inkluderar en Radilika Typer AvVäxlare,DärduutöveraththittannlämpligGroptävangandeAlfalaval Partner ochdenvägenegägrazt。

Testa Alfa Laval产品选择工具

Berg Som BasFörnyskapandeMediaCentral

förentid轿车berättadeviom en ny mediaCentral SomSkaFörseKrokslättsfabrikerimölndalmedvärmeoch kyla。Via 120BorrhålSOMSträckerSig 230米,我MarkenHämtarMyMupvärmePåPorternoch KylaPåSommaren。