跳到内容
施特劳

施特劳斗兽管抓住

STREKKFASTRØRKUPLING用于超戈纳MELLOM ALL TYPER PLAST OGMETALLRØR。En Kompakt,Enkel,TIDSBesparende OG SikkerLøsningforÅskjøte到乌尔犬蜕皮varme,Gjenger Eller Flens。Trolig Den MestBrukervennligeLøsningenfor Utilgjengelige OG敏感的Områder。

尺寸 38,0 / 40,0mm til 159,0 / 160,0mm
TryKk. 16巴
温度 -20°C TIL + 100°C
Utførelse. strekkfast.

产品信息

施特劳斗鞋组合

Straub Combi-Grip Er Den IdeelleStrekkfasteRørkuplingen为SkjøtingAvAllTyperTykkeOG TynnveggedePlastrørMOTStålrørør。适用于InstannAsjon AVRør泻叶AV Polyetylen Og Andre Myke Termoplast Materinger,Anbefaler Vi Bruk AvVåreStøttehylserStraub-PG Laget Av RustfrittStål。

STREKKFASTRØRKUPLING用于超戈纳MELLOM ALL TYPER PLAST OGMETALLRØR。En Kompakt,Enkel,TIDSBesparende OG SikkerLøsningforÅskjøte到乌尔犬蜕皮varme,Gjenger Eller Flens。Trolig Den MestBrukervennligeLøsningenfor Utilgjengelige OG敏感的Områder。

Eksemplerpåbruksområder.

  • brennstoffanlegg.
  • Brannslukningsananleg.
  • Sprinkelanleg.
  • Drikkevannsanlegg.
  • Brannhydransystemer.
  • Gassanlegg.
  • Tankanlegg.
  • Kjølesystemer.
  • Smøresystemer.
  • Ballastsystemer.
  • TurbinRørsystemer.
  • SuveSystemer.
  • trykkluftsystemer

结果

Monter DineRørsystemerRASKT,SikkertOGØKonomiskMed StraubRørkupling。Ingen AnnenRørkuplingKanTilby Flere Fordeler:Rimelig PRIS,Rask Installasjon,Sikker I Bruk,OG Lang Levetid。Lav Vekt ErOgsåen av deviktigste fordelenevedÅbenyttestraubrørkupling。

forankringsprinsippet.

vedåstrammelåseboltenemed riktig时刻,vil griperingen feste seg我overflatenpårøretog sikre en aksielt strekkfastrørskjøt。StrekkfasthetenØkeriaktmed belastningen og trykket。

tetningsprinsippet.

Gummielement Med Leppetetning我乞求Eørger的Lang Levetid Uten Lekkasje。
Progressiv Tetning,HøyereTrykk Gir德国Tetning。

福特尔

  • 杠杆klar til bruk
  • Krever Ingen DyreVerktøy
  • Tillater Avstand MellomRørendene
  • Korrigerer Ujevnheter.
  • Ingen Singsising,Flensing Eller Gjenging!
  • Progressiv Tetningseffekt / forankringseffekt
  • DEMPER VIBRASJONER.
  • Opptil 16 Bars Arbeidstrykk
  • Lavekt.
  • LETTÅ刽子手
  • HUS OGLÅSEBORTEIRISTFRITTStål
  • Høykjemisk motstandsdyktighet.
  • Absorberertrykkstøt.
  • 吸收剂Lyd.
  • IdeelLøsningSelvPåTrangeSteder

Spesifikasjon Kupling

草本子

W4 /Ø40.0 - 160.0 mm

hus

AISI 304.
斯卡罗尔 AISI 316 L.
博尔特 AISI 304.
刺激 AISI 301 /FJærstål
Stålålinnlegg. AISI 316 L / PVDF

spesifikasjon gummi

草本子 Ø40.0 - 160.0 mm
epdm. 温度:-30°C高达+ 100°C
Medie:Alle Kvaliteter Av Vann,Avløpsvann,Luft,普弗og for En Rekke Kjemkalier
NBR. 温度:-20°C高达+ 80°C
Medie:Vann,Gass,Olje,Brennolje Og Andre Hydrokarboner

Genselle Verdier for Toleranse Ved镜片

UtvendigRør.

utvendig直径不同 TillattÅpningMellomRørendene
Uten. Med.
RØRdia。 Stålålinnlegg.
毫米 毫米 / % 毫米 毫米
40.0 7 38.0 - 50.0 7 48.3 2mm. 5. 10.
63.0 / 60.3 - 90.0 7 88.9 2mm. 10. 25.
110.0 / 108.0 - 114.3 / 114.3 2% 10. 25.
140.0 / 139.7 - 160.0 / 159 2% 15. 35.

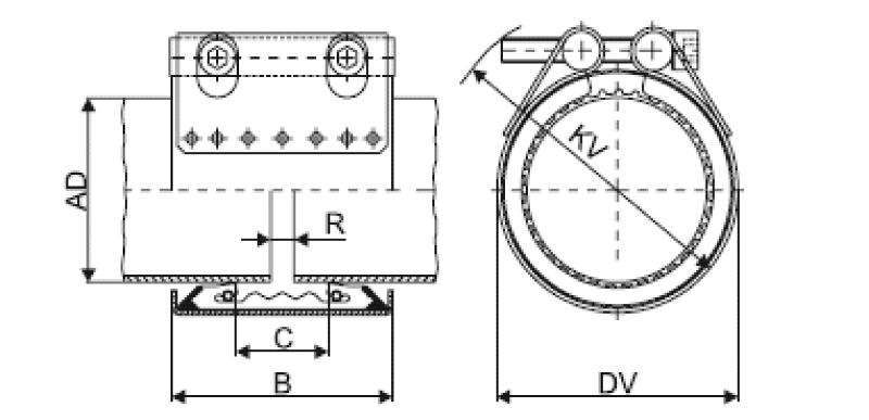
Tekniske数据

RØR.

od

WILFJONSOMRÅDE. arbeidstrykk. Mål. Låsebolter.
蒙特
普拉特 金属 普拉特 金属 PN. B. C DV. kv. 片刻 潮流 Gjenger.
(毫米) (毫米) (毫米) (毫米) (酒吧) (毫米) (毫米) (毫米) (毫米) (纳米) (毫米)
40.0 38.0 39.0 - 40.5 37.5 - 39.0 16. 61. 19. 60. 90. 15. 6. 8.
40.0 42.4 39.0 - 40.5 42.0 - 43.5 16. 61. 20. 63. 95. 15. 6. 8.
50.0 48.3. 49.0 - 50.5 47.8 - 49.0 16. 61. 26. 70 100. 15. 6. 8.
63.0 60.3 62.0 - 64.0 59.7 - 61.0. 16. 76. 32. 85. 115. 20. 6. 8.
75.0 76.1. 74.0 - 76.0. 75.0 - 77.5 16. 94. 39. 100. 137. 35. 8. 10.
90.0 88.9 89.0 - 91.0. 87.0 - 90.0. 16. 94. 39. 118. 152. 35. 8. 10.
110.0 108.0 109.0 - 111.0 106.5 - 110.5. 16. 94. 39. 135. 167. 35. 8. 10.
110.0 114.3. 109.0 - 111.0 112.0 - 116.0 16. 97. 45. 140. 177. 35. 8. 10.
114.3. 114.3. 113.0 - 115.0 112.0 - 116.0 16. 94. 39. 139. 172. 35. 8. 10.
140.0 139.7 139.0 - 142.0 137.5 - 141.0 16. 109. 43. 168. 200. 60. 10. 12.
160.0 159.0 159.0 - 162.0 157.0 -160.5. 16. 109. 43. 188. 215. 60. 10. 12.
180.0 180.0 179.0 - 182.0 178.0 - 181.5 10. 141. 80 205. 255. 70 10. 12.
200.0 206.0 199.0 - 202.0. 204.0 - 208.0 7. 141. 80 230. 275. 70 10. 12.
225.0 219.1. 224.0 - 227.0 216.9 - 221.3. 6. 141. 80 255. 300 70 10. 12.
250.0 256.0 249.0-252.0. 253.55 - 258.5 5. 141. 80 280. 325. 70 10. 12.

联系人

JørnAdolfsen.

业务经理 - 管道产品

+47 90 98 82 35
jad@armatec.no.