Aksiale ekspansjonsj øter har typisk en uhemmet konstruksjon og ørst og fremst utviklet forå ta opp langsgående rør ekspansjoner, vanligvis forårsaket av temperatursvingninger。Grunnet en hemmet utforming krever kompensatoren快速punkter og guide for å balansere de reaktive kreftene og fjæringsgradene, da disse kreftene videre blir forskjøvet ut i rørsystemet。Aksielle kompensatorer kan absorbere ganske store bevegelser på en relativt kompakt lengde og tilbyr en enkel og kostnadseffektiv løsning for kompensasjon av bevegelser。
| Dimensjon | DN 50 - 6000 |
|---|---|
| Trykk | PN 2,有些人 |
| 温 | -270°C到+ 600°C |
| Utførelse | Allsidig |
我和rørsystem med和gjennomløpende medie oppstår det bevegelser。Bevegelsene kan være et resultat fra forskjellige faktorer, for eksempel:
-termiske utvidelser
-trykk
-vibrasjoner
-skjevheter
-setninger我fundamentet
-相对bevegelser mellom Andre elementer
Aksiale ekspansjonsj øter har typisk en uhemmet konstruksjon og ørst og fremst utviklet forå ta opp langsgående rør ekspansjoner, vanligvis forårsaket av temperatursvingninger。Grunnet en hemmet utforming krever kompensatoren快速punkter og guide for å balansere de reaktive kreftene og fjæringsgradene, da disse kreftene videre blir forskjøvet ut i rørsystemet。Aksielle kompensatorer kan absorbere ganske store bevegelser på en relativt kompakt lengde og tilbyr en enkel og kostnadseffektiv løsning for kompensasjon av bevegelser。
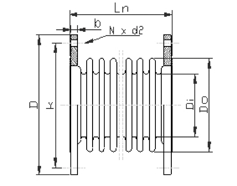
| DN | 类型 | Bevegelse | Ln | Stivhet | 解剖员ihht。PN 10 | 迪 | 做 | Belgareal | Vekt | ||||||
|---|---|---|---|---|---|---|---|---|---|---|---|---|---|---|---|
| + / - AX | + / -洛杉矶 | 斧头 | 拉 | D | b | k | N | d2 | |||||||
| (毫米) | (毫米) | (毫米) | (N /毫米) | (N /毫米) | (毫米) | (毫米) | (毫米) | (毫米) | (毫米) | (毫米) | (毫米) | (毫米2] | (公斤) | ||
| 40 | 0040-020-0 | 20. | 13 | 110 | 111 | 46 | 150 | 16 | 110 | 4 | 18 | 41岁的0 | 59岁的0 | 1963 | 3、8 |
| 40 | 0040-030-0 | 30. | 30. | 185 | 133 | 18 | 150 | 16 | 110 | 4 | 18 | 41岁的0 | 59岁的0 | 1963 | 4、0 |
| 50 | 0050-022-0 | 22 | 12 | 115 | 119 | 68 | 165 | 18 | 125 | 4 | 18 | 50岁,5 | 68年0 | 2757 | 5,1 |
| 50 | 0050-038-0 | 38 | 37 | 190 | 67 | 12 | 165 | 18 | 125 | 4 | 18 | 50岁,5 | 68年0 | 2757 | 5,2 |
| 65 | 0065-027-0 | 27 | 11 | 115 | 97 | 90 | 185 | 18 | 145 | 4 | 18 | 66年0 | 86年0 | 4766 | 6、3 |
| 65 | 0065-047-0 | 47 | 30. | 185 | 91 | 29 | 185 | 18 | 145 | 4 | 18 | 66年0 | 86年0 | 4766 | 6、5 |
| 80 | 0080-027-0 | 27 | 12 | 140 | 187 | 149 | 200 | 20. | 160 | 8 | 18 | 77年0 | 100,0 | 6362 | 8、1 |
| 80 | 0080-050-0 | 50 | 40 | 235 | 105 | 27 | 200 | 20. | 160 | 8 | 18 | 77年0 | 100,0 | 6362 | 8、5 |
| One hundred. | 0100-035-0 | 35 | 12 | 135 | 80 | 123 | 220 | 20. | 180 | 8 | 18 | 103年0 | 127年0 | 10825 | 8、8 |
| One hundred. | 0100-055-0 | 55 | 32 | 225 | 95 | 44 | 220 | 20. | 180 | 8 | 18 | 103年0 | 127年0 | 10825 | 9、3 |
| 125 | 0125-030-0 | 30. | 8 | 135 | 176 | 437 | 250 | 22 | 210 | 8 | 18 | 128年0 | 155年0 | 16286 | 11日,7 |
| 125 | 0125-060-0 | 60 | 30. | 230 | 88 | 62 | 250 | 22 | 210 | 8 | 18 | 128年0 | 155年0 | 16286 | 12、5 |
| 150 | 0150-036-0 | 36 | 8 | 140 | 139 | 411 | 285 | 22 | 240 | 8 | 22 | 153年0 | 186年,6 | 22912 | 15日0 |
| 150 | 0150-075-0 | 75 | 25 | 230 | 125 | 113 | 285 | 22 | 240 | 8 | 22 | 153年0 | 186年,6 | 22912 | 17日0 |
| 200 | 0200-040-0 | 40 | 7 | 145 | 140 | 659 | 340 | 24 | 295 | 8 | 22 | 204年0 | 239年0 | 38533 | 21日0 |
| 200 | 0200-070-0 | 70 | 22 | 235 | 125 | 200 | 340 | 24 | 295 | 8 | 22 | 204年0 | 239年0 | 38533 | 23日0 |
| 250 | 0250-038-0 | 38 | 5 | 145 | 197 | 1672 | 395 | 26 | 350 | 12 | 22 | 259年0 | 293年0 | 59828 | 28日0 |
| 250 | 0250-090-0 | 90 | 30. | 265 | 127 | 211 | 395 | 26 | 350 | 12 | 22 | 259年0 | 293年0 | 59828 | 34岁,0 |
| 300 | 0300-035-0 | 35 | 4 | 150 | 251 | 2533 | 445 | 26 | 400 | 12 | 22 | 309年0 | 346年0 | 48239 | 35岁,0 |
| 300 | 0300-100-0 | One hundred. | 29 | 310 | 155 | 303 | 445 | 26 | 400 | 12 | 22 | 309年0 | 346年0 | 84239 | 44岁的0 |
| DN | 类型 | Bevegelse | Ln | Stivhet | 解剖员ihht。PN 16 | 迪 | 做 | Belgareal | Vekt | ||||||
|---|---|---|---|---|---|---|---|---|---|---|---|---|---|---|---|
| + / - AX | + / -洛杉矶 | 斧头 | 拉 | D | b | k | N | d2 | |||||||
| (毫米) | (毫米) | (毫米) | (N /毫米) | (N /毫米) | (毫米) | (毫米) | (毫米) | (毫米) | (毫米) | (毫米) | (毫米) | (毫米2] | (公斤) | ||
| 350 | 0350-037-0 | 37 | 4 | 155 | 274 | 3268 | 505 | 28 | 460 | 16 | 22 | 341年0 | 378年0 | 101505 | 49岁,0 |
| 350 | 0350年,088 - 0 | 88 | 23 | 315 | 158 | 374 | 505 | 28 | 460 | 16 | 22 | 341年0 | 378年0 | 101505 | 59岁的0 |
| 400 | 0400-050-0 | 50 | 3. | 190 | 197 | 1959 | 565 | 32 | 515 | 16 | 26 | 388年0 | 432年0 | 132025 | 61年0 |
| 400 | 0400-115-0 | 115 | 30. | 355 | 132 | 314 | 565 | 32 | 515 | 16 | 26 | 388年0 | 432年0 | 132025 | 71年0 |
| 500 | 0500-065-0 | 65 | 9 | 240 | 232 | 2062 | 670 | 38 | 620 | 20. | 26 | 483年0 | 533年0 | 202683 | 99年0 |
| 500 | 0500-135-0 | 135 | 33 | 400 | 243 | 687 | 670 | 38 | 620 | 20. | 26 | 483年0 | 533年0 | 202683 | 112年0 |
| DN | 类型 | Bevegelse | Ln | Stivhet | 解剖员ihht。PN 16 | 迪 | 做 | Belgareal | Vekt | ||||||
|---|---|---|---|---|---|---|---|---|---|---|---|---|---|---|---|
| + / - AX | + / -洛杉矶 | 斧头 | 拉 | D | b | k | N | d2 | |||||||
| (毫米) | (毫米) | (毫米) | (N /毫米) | (N /毫米) | (毫米) | (毫米) | (毫米) | (毫米) | (毫米) | (毫米) | (毫米) | (毫米2] | (公斤) | ||
| 40 | 0040-016-0 | 16 | 8 | 110 | 143 | 85 | 150 | 16 | 110 | 4 | 18 | 41岁的0 | 59岁的0 | 1963 | 3、8 |
| 40 | 0040-027-0 | 27 | 27 | 190 | 143 | 22 | 150 | 16 | 110 | 4 | 18 | 41岁的0 | 59岁的0 | 1963 | 4、0 |
| 50 | 0050-022-0 | 22 | 12 | 115 | 119 | 67 | 165 | 18 | 125 | 4 | 18 | 50岁,5 | 68年0 | 2757 | 5,2 |
| 50 | 0050-032-0 | 32 | 32 | 195 | 136 | 23 | 165 | 18 | 125 | 4 | 18 | 50岁,5 | 68年0 | 2757 | 5、6 |
| 65 | 0065-026-0 | 26 | 11 | 115 | 97 | 92 | 185 | 18 | 145 | 4 | 18 | 66年0 | 86年0 | 4766 | 6、4 |
| 65 | 0065-038-0 | 38 | 30. | 195 | 114 | 32 | 185 | 18 | 145 | 4 | 18 | 66年0 | 86年0 | 4766 | 6,8 |
| 80 | 0080-025-0 | 25 | 10 | 135 | 211 | 192 | 200 | 20. | 160 | 8 | 18 | 77年0 | 100,0 | 6362 | 6、6 |
| 80 | 0080-048-0 | 48 | 38 | 230 | 176 | 45 | 200 | 20. | 160 | 8 | 18 | 77年0 | 100,0 | 6362 | 7、4 |
| One hundred. | 0100-023-0 | 23 | 6 | 110 | 200 | 518 | 220 | 20. | 180 | 8 | 18 | 103年0 | 127年0 | 10825 | 8、8 |
| One hundred. | 0100-048-0 | 48 | 26 | 205 | 109 | 65 | 220 | 20. | 180 | 8 | 18 | 103年0 | 127年0 | 10825 | 9日,2 |
| 125 | 0125-027-0 | 27 | 6 | 120 | 202 | 650 | 250 | 22 | 210 | 8 | 18 | 128年0 | 155年0 | 16286 | 12日0 |
| 125 | 0125-060-0 | 60 | 30. | 240 | 142 | 92 | 250 | 22 | 210 | 8 | 18 | 128年0 | 155年0 | 16286 | 13日,6 |
| 150 | 0150-037-0 | 37 | 9 | 145 | 215 | 566 | 285 | 22 | 240 | 8 | 22 | 153年0 | 186年,6 | 22912 | 15日,4 |
| 150 | 0150-069-0 | 69 | 30. | 240 | 116 | 101 | 285 | 22 | 240 | 8 | 22 | 153年0 | 186年,6 | 22912 | 16日,4 |
| 200 | 0200-040-0 | 40 | 8 | 155 | 254 | 1072 | 340 | 26 | 295 | 12 | 22 | 203年0 | 236年0 | 37841 | 21日,4 |
| 200 | 0200-083-0 | 83 | 30. | 260 | 169 | 220 | 340 | 26 | 295 | 12 | 22 | 203年0 | 236年0 | 37841 | 25日0 |
| 250 | 0250-040-0 | 40 | 6 | 165 | 393 | 2746 | 405 | 32 | 355 | 12 | 26 | 257年0 | 293年0 | 59396 | 36岁,0 |
| 250 | 0250-075-0 | 75 | 25 | 305 | 236 | 367 | 405 | 32 | 355 | 23 | 26 | 257年0 | 293年0 | 59396 | 41岁的8 |
| 300 | 0300-035-0 | 35 | 4 | 165 | 549 | 5540 | 460 | 32 | 410 | 12 | 26 | 308年0 | 346年0 | 83982 | 43岁的6 |
| 300 | 0300-100-0 | One hundred. | 33 | 360 | 256 | 390 | 460 | 32 | 410 | 12 | 26 | 308年0 | 346年0 | 83982 | 54岁的6 |