Hoppa直到innehall
mxl 8484号

Fjarrvarmecentral mxl 8484号

Utgangen produkt

Denna produckt är utgången

Produktinformation

Anvandningsomrade

standard diserad komplett fjärrvärmecentral för uppvärmning och tappvarmvattenberedning i villor och flerbostadshus (1-8 lgh)。Enheten kopplas direcrekt fjärrvärmenätet och installation enket anpassas efförutsättningarna i fasheten då rören valfritt kan anslutas uppåt eller nedåt。Den combinerade reglercentralen/rumsgivaren kan installeras utanför fjärrvärmecentralen- valfritt på vägg。

AMA-text

PJB.0 * Sammansatta varmevaxlarenheter
Prefabricerad värmeväxlarenhet AT 8484MXL, med lödda värmeväxlare, styr- reglertrustning, pumpar och armater。所有信任är和passad för väggmontage,我的实习生。

Kvalitetssakring

Värmeväxlare tillverkas under egenkontroll i enlighet med Tryckkärlsdirektivet (PED) 97/23/EG, Sammanbyggnaden av växlareneheten sker enlight Arbetsmiljöverkstsföreskrift AFS 1999:4。

真主安拉plattor och rör i värmeväxlaren är tillverkade av syrafast rostfritt stål。Komponenterna är testade så att de fungerar i enlighet med Alfa Lavals kvalitettssystem ISO 9001:2008

Tekniska数据

Driftsdata 马克斯drifttryck
Mpa
马克斯drifttemperatur
°C
Oppningstryck Sakerhetsventil
Mpa
Volym
l
Fjarrvarme 1、6 120 - 1, 0/0, 62
散热器 0, 6 One hundred. 0, 25 1日05
Tappvarmvatten 1,0 One hundred. 0、9 0, 64

Tekniska数据

Prestanda vid tillgängligt primärt differenstryck 100-600 kPa
给定程序(ºC) Effekt(千瓦) Primart flode (l / s) Verklig returtemp。(ºC) Sekundarflode (l / s)
Varmvattenkrets
80 - 22/10 - 55 113 0, 47 22 0, 60
70 - 25/10 58岁 70 0, 37 25 0, 35
60-22/10-50 75 0, 45 22 0, 42
Varmekrets
115 - 65/60 - 80 50 0, 22 61 0, 60
100 - 63/60 - 80 50 0, 32 63 0, 60
100 - 43/40 - 60 50 0, 20 41 0, 60

Konstruktion och funktion

Komplett installationsfärdig fjärrvärmecentral som monteras på vägg och är mycket kompakt。Med helautomatiskt temperature regering för både värme och varmvatten。Värmen styrs med avseende på utetemperaten och önskad rumsttemperatur via reglercentral, framledningsgivare samt givare för både utomhus och inomhus。Cirkulationspumpen på VS kretsen stannar automatiskt när ingen värme behövs, men motioneras regelbundet för att inte kärva under längre stillestånd。

Manöverpanel med tillhörande inomhusgivare medföljer alltid, vilket medför ökad komfort och sparar energi。

Varmvattnet värms i en separat värmeväxlare, vilket garanterar att Varmvattnet alltid är lika fräscht som inkmande kallvatten。Integrerad传感器för varmvattenregerering, temperature regulatorn känner av och regerar utgående varmvattenttemperatur direkt i växlaren, vilket ger stable temperature på varmvattnet oavsett flöde。Denna konstruktion är utvecklad av Alfa Laval专利。

Fabriksmonterad invändig eldragning och förproggramerad reglercentral samt stickproppanslutningen förenklar igångkörningen。Energianvändningen registreras av energileverantören genom att dels registrera mängden av fjärrvärmevatten som passerar anläggningen och dels温度skillnaden mellan fjärrvärme tillopp och return。

Styrsystem

Fjärrvärmecentralen 8484MXL levereras komplett med Honeywell reglerutrustning CM737 inkl givare, rumspanel, ställdon och utegivare。
H737 har ett enkelt användargränssnitt med inbyggd energisparfunktion。
Värmekrets styrventil Honeywell V5825B Kvs 1,6
Varmvatten styrventil Samson 2432N Kvs 4,0

Elektriska数据:230V, 1-fas。100 w

Detaljforteckning

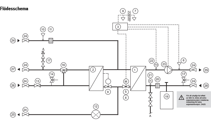
Komponentlista
Fjarrvarmekrets Tappvarmvattenkrets Radiatorkrets

Tillval / reglerutr

10.Temperaturgivaranslutning tillopp

2.Varmevaxlare CB20IS-47, VV 1.Varmevaxlare CB18-53, VS

7.Utegivare

11.过滤器 9.Temperaturregulator 3.Kopplingsbox för el och givare 8.Manöverpanel med integrerad rumstermostat
12.为energimatare Passbit
13.Backventil kallvatten 4.Styrventil 15.
23.Avstangningventiler(2圣) 14.Sakerhetsventil, tappvarmvatten

5.Stalldon

22.Golvvarmetermostat (tillval)
24.Fjarrvarme tilopp 16.Säkerhetstermostat (säkerhet mot för hög vv - temperature) 6.Framledningsgivare
25.Fjarrvarme收益; 26.Kallvatten 17.Pafyllning
27.Varmvatten 18.Sakerhetsventil
23 Avstängningventiler (2 st) 19.Expansionkarl 12 l
20.过滤器
21.压力计
22.Cirkulationpump
格兰富Alpha2L 15/60
23.Avstangningventiler(2圣)
28.Varmekrets收益;
29.Varmekrets tillopp
Mässingsdetaljer är i avzinkningshärdig kvalitet。
Anslutningar fjärrvärme DN20, inv gängade。
Anslutningar värme DN25, inv gängade
Rören ansluts valfritt uppåt och/eller neråt。
Avstängningsventiler ingår och är bipackade i leveransen。
Oisolerad kapa
krets阴道假丝Utan致病菌种及

马特och vikt

mxl 8484号
Vikt enhet,公斤 33
Vikt kapa,公斤 5
Bredd,毫米 577
Hojd,毫米 770
Djup,毫米 458

安装

Enkel installation med avseende på flera fördelar i konstruktionen såsom kompakta mått, låg vikt, väl genomtänkt rördragning och fabriksmonterad inv. eldragning。Förprogrammerad reglercentral och stickproppsanslutningen förenkar igångkörningen。

之后运输,运输,安装,är det我的朋友,viktigt, att enhetens samtliga kopplingar eterdras, och kontroleras。Detta görs innan enheten tas i bruk, så att inget läckage uppstår。Om service eller byte av komponenter behöver utföras vid ett senare tillfälle är真主安拉delar lätta att komma åt och kan bytas separat。Kräver ingen övervakning eller underhåll och har mycket lång livslängd。

Markning

På fjärrvärmecentralens märkskylt finns upppgifter om beteckning och tillverkningsnummer。
迷你XL är CE-märkt。

Bestallningsnyckel

AT-nr RSK
mxl 8484号 680年28 74年

汤姆

汤姆

Relaterade produkter

那artiklar

Fjärrvärmecentral Maxi Flex AT 8472

Armatec Maxi Flex fjärrvärmecentral AT 8472 för tappvarmvattenberedning och uppvärmning av flerfamiljshus…

Valj

Kunskap

阿法拉伐产品指南

Här kan du enkelt dimensionera eller hitta den plattvärmeväxlare som bäst passar din应用,du kan även få hjälp att ersätta en befintlig växlare för varmvatten eller värme。

Testa Alfa Laval产品指南

Kunskapsguide Varmevaxling

Att välja rätt värmeväxlare kan vara svårt。Våra kunskapsguider beskriver vikten av en korrekt dimensionerad värmeväxlare, hur AHRI gör skillnad samt reder ut andra vanliga frågetecken kring värmeväxling。

守护神挖mer

Verktyg

Rätt lösning kräver rätt verktyg。Vi har valtabeller, förfrågningsformulär och en besparingssimulator till hjälp。

Hitta ditt verktyg

Utbildning

我很高兴您能回来。Tillsammans gör vi skillnad för dina kunder。

Läs mer om våra utbildningar

电影

你要去哪里packningsförsedda värmeväxlare fungerar?我们可以把这部电影拍下来。

Se filmen

Handbok

Ta del av vår samlade kunskap om ackumulering, värmeväxlare och system för applikationer inom fjärrvärme och fjärrkyla。

Valj handbok

服务

Vi erbjuder snabb och pålitlig服务。Lita på att vi löser problemet om det oförutsedda händer。

Läs mer om vårt serviceerbjudande

Kontaktpersoner

格兰约翰逊

Marknads- & Produktansvarig, Fjärrvärme- & fjärrkylcentraler

031 - 89年01 63
goran.johansson@armatec.se

Emelie Winbom

Marknads- & Produktansvarig, Fjärrvärme- & Fjärrkylcentraler

031 - 89年01 75
emelie.winbom@armatec.se

Peyruze Ozmen

Marknads- & Produktansvarig, Fjärrvärme- & Fjärrkylcentraler

031 - 89年02 92
peyruze.ozmen@armatec.se

这是våra概念

Varmevaxling & Ackumulering

请在hushålla医疗保险中心确认。Vi utvecklar系统för värme och varmvatten som är hållbara och som allt oftare comberar flera energikällor。

拉斯维加斯mer