Hoppa直到innehall
在8315元

Sakerhetsutrustning在8315元

Integrerad säkerhetsutrustning för panna över 100kw, komplett med nivåvakt (katastrofskydd), tryckvakt max 10 bar。

Effektomrade 超过100千瓦
PN 16
Maxtemperatur 110°C
Applikation Varmevatten

变体

Artikelnummer DN PN Maxttemperatur(°C) Anslutnings维度 Avs.datum Bruttopris Antal
在8315元RSK 5534899 15、25 16 110 G 1/2; G 1 2021-07-28 19 100瑞典克朗Färre än 10 i lager

Produktinformation

Anvandningsomrade

Integrerad säkerhetsutrustning som automatiskt avbryter energitillförseln till en varmvattenpanna vid för låg vattennivå eller för högt drifttryck。Lämplig för anläggning med nollflödespanna。

Genom sin sammanbyggda konstruktion förenklas både inkoppling och övervakning högst väsentligt。

Ersätter separat nivåvakt (katastrofskydd) och högtryckvakt。

AMA-text

PSG.2 Sakerhetsdon
Sakerhetsutrustning 8315元。Integrerad enhet med nivåvakt och högtryckvakt för övervakning av varmvattenpanna。

Kvalitetssakring

Enligt AFS 2002:1, VVA 1993 och VSU 2007, i tillämpliga delar för varmvattenpannor max 110ºC, skall panna i ett slutet värmesystem, som är avsedd för periodisk övervakning vara utrustad med:
Nivåvakt (katastrofskydd) och högtryckvakt。
Enheten är godkänd enl。AFS 1999:4,类别IV och är CE-märkt。

Fastbränslepanna医疗效果över 500 kW skall utrustas med en självövervakande nivåvakt och då väljs AT 8315S。Se separat produktblad。

Om温度vid strömavbrott överstiger 100ºC, i en fastbränslepanna, skall denna även utrustas med en högtemperaturvakt。Valj p15在4898。Se separat produktblad。

Detaljforteckning

Utrustningen bestar av:

一个。KapsladELEKTRONIKENHETinnehallande:
-nivavaktMed återställningsknapp, testknapp, grön driftindikering samt röd indikering vid utlöst alarm, låg nivå。
-hogtryckvaktMed elektrisk förregling, manuell återställningsknapp, grön driftindikering samt röd indikering vid utlöst larm, för högt drifttryck。

B。GIVARE, NIVAVAKTav syrafast stål med isolering av PTFE。我要用铝制的。
Inkl。värmebeständig skärmad kabel VSK 2x0,75, längd 5米。

C。GIVARE, HOGTRYCKVAKTAv rostfritt stål med förhöjningsdel Av stål som temperaturskydd。Inkl。värmebeständig kabel med DIN-kontakt, längd 5米。
Levereras medical angivet inställt bryttryck samt medical justerskruven plomberad。


汤姆

汤姆

马特och vikt

在8315元

一个 B C D E F G H J Vikt
168 105 155 85 107 8 60 93 88 40 2,7

汤姆

汤姆

Funktion och konstruktion

Säkerhetsutrustningen är en komplett övervakningsutrustning för pannanläggningar med s k nollflödespanna。

我在芬兰的官网båda två nödvändiga vakter sammankopplade och förreglade。Gör att både installationen och övervakningen blir mycket enklare och säkrare。Även den återkommande besiktningen blr både enklare och snabbare。Enheten är delbar genom en plugin-del och en bottendel。

  • Återstart sker med hjälp av nyckelomkopplare。
  • Funktionsfördröjning på max 10 sek förhindrar tjuvutlösningar (vid låg vattennivå)。
  • Vid spänningsbortfall längre än 10 sek, löser katastrofskyddet ut。Manuell aterstart kravs。

Funktion,分别地。ingaende vakt:
Nivavakt
Genom att utnyttja pannvattnets konduktivitet skickas en elström från elektroniken via den skärmade kabeln till dess give are。Om nivån sjunker under givaren, upphör ledningsförmågan och vakten löser ut。Dess röda larmindikering tänds varvid t.ex。pannans oljebrannare blockeras。
Funktionsfordrojning pa马克斯。10克朗。forhindrar“tjuvutlosningar”。
Myndighetskrav gör att nivåvakten löser ut vid strömbortfall längre än 10 sek。
Nivåvakten är dubbelkontrollerad, krav från myndigheterna, vilket innebär två system som fungerar oberoende av varandra。Är även konstruerad启发“失败到安全”-原理och löser också ut vid kabelfel。Nivåvaktens funktioner kan provas med testknappen。

Hogtryckvakt
Skall automatiskt avbryta energitillförseln till pannan vid tryck som ligger mellan systemets drifttryck och högsta tillåtna tryck。
Inställes i vår verkstad på ett bryttryck som normalt är 10% lägre än ingående säkerhetsventilers öppningstryck。Om anläggningstrycket av någon anledning stiger onormalt skall tryckvakten lösa ut anläggningen。Dess röda larmindikering tänds då upp。När trycket sedan sjunker får ej anläggningen automatiskt återstarta。您好måste ske manuellt och görs här med den elektriska återställningsknappen på panelen。

Tekniska数据

Gemensamma
Manoverspanning 230V AC, 50/60 Hz±10% Kapsling, IP 54
Bryteffekt manoverre 1000va 6a,交流1230 vac
Max。omgivningstemp。 60°C
Ledningsformaga 100µS /厘米
Nivavakt
跨越到givare 25 v, 50赫兹
Tryckvakt
跨越到givare 230伏,50赫兹

汤姆

Tillbehor och变体

Säkerhetsutrustningen är avsedd för en eller flera pannor。När anläggningen omfattar två pannor, varav den ena pannan kräver flödesvakt (ej nollflödespanna), används flödesvakt AT 8316P15。


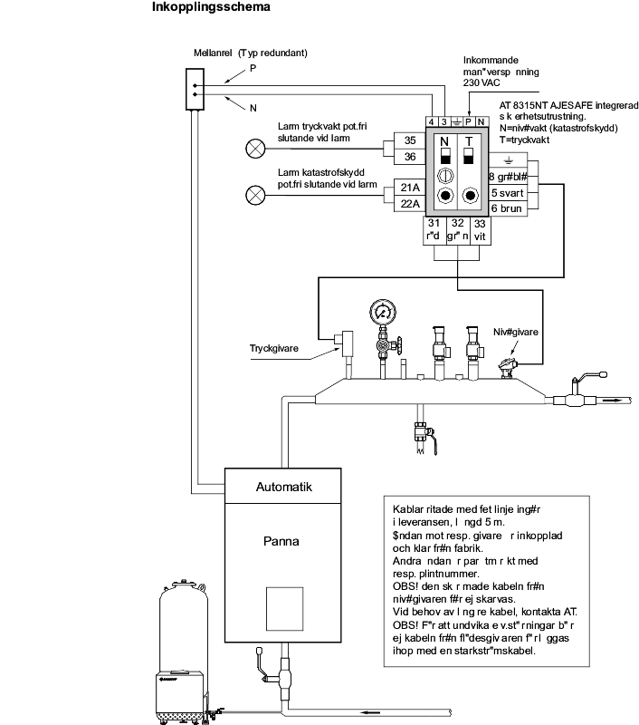
Flödesvaktens plintar 11 och 12 kopplas in i serie med kretsen till pannans mellanrelä(典型冗余)。Denna krets matas från plint 3 (P) och 4 (N)。

安装

分别地。give vare monteras normalt i förberedda anslutningar på AT 8312 ångsamlingsrör。我正在gäller för回复。givare:

安装

Nivagivare 我叫坎·蒙特拉斯rör医学维恩³DN 100。
蒙特拉斯在g1。
Tryckgivare 蒙特拉斯på invändigt gängad anslutning g1 /2。
För att skydda givaren mot övertemperatur inmonteras
Mellan givaren och anslutningsstället en förhöjningsdel
在8319 - 15所示。

Insallation

Samtliga givare levereras med 5米卡贝尔。Kabeln från tryck- respp。Flödesgivaren kan förlängas och skarvas I dosa utan problem。Nivågivarens kabel får dock ej skarvas。Vid behov av längre kabel skall AT kontaktas。

Underhall och reservdelar

För säker drift och funktion bör funktionsprov göras minst en gång per år。

Som reservdelar芬兰人:

在8315NTAPS Elektronikskåp som插件del

AT 8324E Nivågivare inkl 5米卡贝尔

在8317年一个Tryckgivare

Markning

Är märkt med erforderliga inkopplingsdata, inställt bryttryck för ingående tryckvakt samt artikelnummer och leverantör。

Kunskap

Verktyg

Ta del av besparingskalkyler och hjälpfulla verktyg som underlättar produktval。

Hitta ditt verktyg

Handbok

Vi delar gärna med oss av kunskap, här har Vi samlat allt användbart på en plats。

Valj handbok

服务

Utifall att det oväntade händer kan du känna dig trygg med vårt servicetal。

Läs mer om vårt serviceerbjudande

Utbildning

Kunskap är bäst när man delar den。Här hittar du information om aktuella utbildningar。

Läs mer om våra utbildningar

Kontaktpersoner

这张Arvidsson

工程tledare, Teknikrum和能源系统

031 - 89年01 82
mattias.arvidsson@armatec.se

托马斯·卡尔森

工程tledare, Teknikrum和能源系统

031 - 89年01 83
thomas.carlson@armatec.se

这是våra概念

Energisystem & Teknikrum

Vid komplexa projekt är det värdefullt med förutsägbarhet。Våra prefabricerade enheter ger dig full kontroll。Komplett och kundanpassat。Alltid med totalekonomi och miljö i åtanke。

拉斯维加斯mer