跳到内容
Straub

Straub金属手柄

Strekkfast Rørkupling for skjøting av alle metallrør med utførelse for å møte de strengeste standarder。

Dimensjon 30 0毫米直到609 6毫米
Trykk 67酒吧
-30°C到+ 125°C
Utførelse Strekkfast

变化

文章编号
在金属的控制

产品信息

STRAUB METAL-GRIP

Strekkfast Rørkupling for skjøting av alle metallrør med utførelse for å møte de strengeste standarder。STRAUB METAL-GRIP erstatter flenser, sveisede eller boltede forbinder ser samt konvensjonelle kuplinger, den sparer tid, plass og er pålitelig。

Skjøter rør av samme eller ulike metaller, for trykk -og sugeledninger (med stålinnlegg)

Eksempler pa bruksomrader

  • Brennstoffanlegg
  • Brannslukningsanlegg
  • Sprinkelanlegg
  • Drikkevannsanlegg
  • Brannhydrantsystemer
  • Gassanlegg
  • Tankanlegg
  • Kjølesystemer
  • Smøresystemer
  • Ballastsystemer
  • Turbinrørsystemer
  • Sugesystemer
  • Trykkluftsystemer

结果

Monter dine rørsystemer raskt, sikkert og økonomisk med STRAUB METAL-GRIP。我想说的是:你是谁,你是谁,你是谁,你是谁。Lav vekt er også en viktigste fordelene STRAUB METAL-GRIP。

forankringsprinsippet.

邮箱:å stramme låseboltene med riktig moment, vil griperingen feste seg i overflaten på røret og sikre en aksiell strekkfast rørskjøt。我想去旅行。

Tetningsprinsippet

Gummielement med leppetetning我请求ender sørger为lang levetid uten lekkasje。施工时,要先进行施工。

Fordeler

  • 杠杆,克拉,til bruk
  • Krever Ingen DyreVerktøy
  • 我很高兴见到你
  • korrigerer ujevnheter
  • Glem svezing,剥皮og gjenging!
  • Progressiv Tetningseffekt / forankringseffekt
  • demper vibrasjoner
  • Opptil 67小节arbeidstrykk
  • 洗手间vekt
  • 一个installere卷
  • 角度要一直到5°
  • Høy kjemisk motstandsdyktighet
  • 吸收器trykkst tø
  • 吸收器lyd
  • Ideel løsning selv på strange steder

Spesifikasjon kupling

草本子

W1 / Ø 244.5 - 609.6 mm

W4 / Ø30.0 - 219.1毫米 W5 / Ø30.0 - 219.1毫米

溶血性尿毒综合征

AISI 1024,热浸galv。 符合美国钢铁协会的304 符合美国钢铁协会的316 Ti
Skruer 符合美国钢铁协会的4135 * 符合美国钢铁协会的316 符合美国钢铁协会的316 L
伯尔特 AISI 12L 14,镀锌 符合美国钢铁协会的304 符合美国钢铁协会的316 Ti
挑刺 符合美国钢铁协会的301 符合美国钢铁协会的301 符合美国钢铁协会的301
Stalinnlegg Aisi 316 l / PVDF Aisi 316l / PVDF Aisi 316l / PVDF

Spesifikasjon树胶

草本子 Ø244.5 - 609.6毫米 Ø30.0 - 219.1毫米
三元乙丙橡胶 温度:-20°C至+80°C 温度:-30°C至+100°C
Medie: Alle kvaliteter av vann, avløpsvann, luft, pulver, og for en rekke kjemikalier Medie: Alle kvaliteter av vann, avløpsvann, luft, pulver, og for en rekke kjemikalier
丁腈橡胶 温度:-20°C至+80°C
Medie:Vann,Gass,Olje,Brennolje Og Andre Hydrokarboner

arbeidstrykk.

STRAUB METAL-GRIP DNV-sertifisert iht。tabellen下。
Dersom dnv - godkjenelse ikke er nødvendig kan STRAUB METAL-GRIP bruved høyere trykk。
Se tabell/diagram på de neste sidene。

Arbeidstrykk tabell Metal-Grip

水下电视。rørdiameter 酒吧
30.0 - -219.1毫米 20.0
244.5毫米 14.0
267.0 - 273.0毫米 12.0
323.9毫米 10.0
355.6 - 406.4 mm 8.0

Tekniske数据

Rørdim。

Dimensjonsomrade

arbeidstrykk.

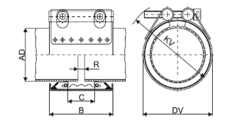
Mal 锁定olt

Tillatt åpning mellom rør-endene

Lasebolter
montert
od PS B C DV KV 时刻 塞克兰人 gjenger
(毫米) (毫米) (酒吧) (毫米) (毫米) (毫米) (毫米) (nm) (毫米)

30.0 29.5 - 30.5 67 46/67 18 47 70 10 6 8
33.7 33.2 - 34.2 62 46/67 18 52 75 10 6 8

38.0

37.5 - 38.5 58 61 19 58 90 15 6 8
42.4 41.9 - 42.9 53 61 20. 62 90 15 6 8
44.5 44.0 - 45.0 48 61 20. 64 95 15 6 8
48.3 47.8 - 48.8 44 61 20. 68 95 15 6 8
54.0 53.5 - 54.5 39 77 38 74 100. 20. 6 8
57.0 56.4 - 57.6 37 77 32

77

105. 20. 6 8
60.3 59.7 - 60.9 37 77 32 82 110 20. 6 8
63.5 62.9 - 64.1 37 77 32 84 114 20. 6 8
76.1 75.3 - 76.9 56 94 39 100. 130 35 8 10
84.0 83.2 - 84.8 45 94 39 112 140 35 8 10
88.9 88.0 - 89.8 41 94 39 117 145 35 8 10
104.0 103.0 - 105.0 37 94 39 133 160 35 8 10
108.0 106.9 - 109.1 35 94 39 133 160 35 8 10
114.3 113.2 - 115.4 34 94 39 139 165 35 8 10
129.0 127.7 - 130.3 33 108. 51 160 190 60 10 12
133.0

131.7 - 134.3

33 108. 43 160 190 60 10 12
139.7 138.3 - 141.1 32 109. 43 168 200 60 10 12
154.0 152.5 - 155.5 32 109. 51 186 215. 60 10 12
159.0 157.4 - 160.6 31 109. 43 187 215. 60 10 12
168.3 166.6 - 170.0

29

109. 43 200 230 60 10 12
219.1. 216.6 - 221.3 26 150 60 259 295

100.

14 16
244.5 242.0 - 247.0 27 148 67 290 345. 180 17 20.
267.0 264.5 - 269.5 24 148 67 312 365 180 17 20.
273.0 270.5 - 275.5 21 148 67 318 370 180 17 20.
323.9 320.5 - 327.0 18 148 67 369 420 230 17 20.
355.6 352.0 - 359.0 17 148 67 401 450. 230 17 20.
406.4 402.5 - 410.5 14 148 67 451. 500 230 17 20.
457.2 452.5 - 462.0 8 148 67 502 550 250 17 20.
508.0 503.0 - 513.0 6 148 67 553 600 250 17 20.
558.8 554.0 - 564.0 6 148 67 604 650 300 17 20.
609.6 604.5 - 614.5 5 148 67

655

700 300 17 20.

Generelle verdier的容忍montering

Utvendig RøR

Utvendig直径differanse Tillatt åpning mellom rørendene
Uten. Med.
RøR迪亚。 Stalinnlegg
毫米 毫米 / % 毫米 毫米
33.7 - 54.0 2毫米 5 15
57.0 - 88.9 2毫米 10 25
104.0 - 114.3 2% 10 25
133.0 / 139.7 / 159.0 / 168.3 2% 15 30.
129.0 / 154.0 / 219.1 / 273.0 2% 15 35
323.9 - 609.6 6毫米 15 35

Vinkelavvik - i alle retninger:

Opp til 60.3 mm 5° Opp til 168.3 mm 4° Fra 219.1 mm 2°

联系人

JørnAdolfsen.

业务经理-管道产品

+47 90 98 82 35
jad@armatec.no