我们的产品是aksial beveelse的产品。我有一个完整的计划,我有一个完整的计划。适用于å absorbere større sideveis bevegelse blir den optimale løsningen å installere en universal kombinerte bevegelser。
| Dimensjon | DN 50 - 6000 |
|---|---|
| Trykk | PN 6 - 63 |
| 温 | -270°C到+ 600°C |
| Utførelse | Allsidig |
我和rørsystem med和gjennomløpende medie oppstår det bevegelser。Bevegelsene kan være et resultat fra forskjellige faktorer, for eksempel:
-termiske utvidelser
-trykk
-vibrasjoner
-skjevheter
-setninger我fundamentet
-相对bevegelser mellom Andre elementer
我们的产品是aksial beveelse的产品。我有一个完整的计划,我有一个完整的计划。适用于å absorbere større sideveis bevegelse blir den optimale løsningen å installere en universal kombinerte bevegelser。
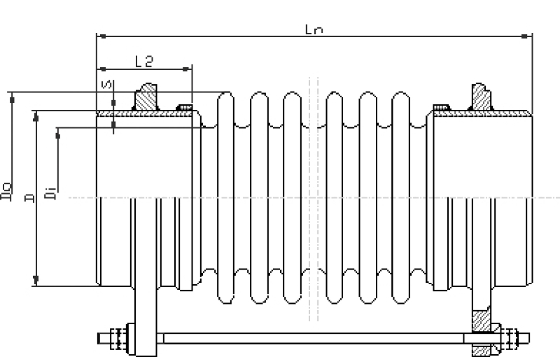
| DN | 类型 | Beveg。 | Ln | Stivhet | Sveiseender | Dimensjoner | 迪 | 迪 | 做 | Belg区域 | Vekt | |||
|---|---|---|---|---|---|---|---|---|---|---|---|---|---|---|
| + / -洛杉矶 | 斧头 | 拉 | D | L2 | 年代 | 贺南洪 | 版本 | |||||||
| (毫米) | (毫米) | (N /毫米) | (N /毫米) | (毫米) | (毫米) | (毫米) | (毫米) | (毫米) | (毫米) | (毫米) | (毫米2] | (公斤) | ||
| 40 | 0040-030-0 | 30. | 445 | 63 | 10 | 48岁的3 | 145 | 2,6 | 90 | 170 | 40岁,5 | 57岁的7 | 1893 | 4、0 |
| 50 | 0050-025-0 | 25 | 445 | 70 | 17 | 60岁,3 | 145 | 2、9 | One hundred. | 180 | 52岁的5 | 69年,7 | 2932 | 4, 4 |
| 65 | 0065-025-0 | 25 | 440 | 57 | 22 | 76年,1 | 145 | 2、9 | 120 | 200 | 68年,3 | 87年,5 | 4766 | 5、3 |
| 80 | 0080-033-0 | 33 | 485 | 85 | 28 | 88年,9 | 145 | 3、2 | 150 | 210 | 79年,1 | 100年,9 | 6362 | 8日0 |
| One hundred. | 0100-025-0 | 25 | 475 | 79 | 48 | 114年,3 | 145 | 3、6 | 175 | 245 | 104年,6 | 130年,2 | 10825 | 9, 9 |
| 125 | 0125-022-0 | 22 | 475 | 75 | 71 | 139年,7 | 145 | 4、0 | 239 | 235 | 130年,2 | 157年,8 | 16286 | 13日2 |
| 150 | 0150-020-0 | 20. | 475 | 88 | 112 | 168年,3 | 145 | 4、5 | 260 | 262 | 155年0 | 186年,6 | 22912 | 15日,4 |
| 175 | 0175-017-0 | 17 | 475 | 97 | 163 | 193年,7 | 145 | 5,6 | 282 | 295 | 180年,6 | 212年,2 | 30295 | 22日,1 |
| 200 | 0200-016-0 | 16 | 525 | 88 | 197 | 219年,1 | 170 | 5,6 | 303 | 312 | 206年,1 | 239年,7 | 39022 | 22日2 |
| 250 | 0250-017-0 | 17 | 555 | 91 | 229 | 273年0 | 170 | 6、3 | 347 | 368 | 260年0 | 293年,6 | 60176 | 29日,2 |
| 300 | 0300-022-0 | 22 | 600 | 117 | 283 | 323年,9 | 170 | 8日0 | 400 | 423 | 311年,1 | 347年,5 | 85167 | 46岁,9 |
| 350 | 0350-020-0 | 20. | 600 | 127 | 370 | 355年,6 | 170 | 8日0 | 435 | 460 | 342年,8 | 379年,2 | 102354 | 56岁的6 |
| 400 | 0400-022-0 | 22 | 630 | 109 | 335 | 406年,4 | 170 | 8日0 | 506 | 528 | 389年,9 | 437年,1 | 134289 | 78年,8 |
| 450 | 0450-015-0 | 15 | 590 | 180 | 941 | 457年,2 | 170 | 8日0 | 600 | 600 | 440年,5 | 489年,5 | 169823 | 99年,3 |
| 500 | 0500-023-0 | 23 | 775 | 175 | 657 | 508年0 | 225 | 8日0 | 675 | 675 | 485年,4 | 536年,4 | 205004 | 148年,9 |
| 550 | 0550-014-0 | 14 | 720 | 231 | 1504 | 559年0 | 225 | 10日0 | 725 | 725 | 536年,4 | 587年,4 | 247975 | 157年,8 |
| 600 | 0600-022-0 | 22 | 790 | 236 | 1170 | 609年,6 | 225 | 10日0 | 790 | 790 | 585年,6 | 645年,6 | 302004 | 210年,9 |
| 700 | 0700-019-0 | 19 | 905 | 229 | 1503 | 711年0 | 280 | 10日0 | 905 | 905 | 687年,5 | 756年,5 | 409415 | 306年,8 |
| 800 | 0800-016-0 | 16 | 905 | 251 | 2140 | 813年0 | 280 | 10日0 | 1010 | 1010 | 789年,5 | 858年,5 | 533267 | 383年,2 |
| 900 | 0900-015-0 | 15 | 905 | 275 | 2955 | 914年0 | 280 | 10日0 | 1105 | 1105 | 890年,5 | 959年,5 | 672006 | 448年,8 |
| 1000 | 1000-013-0 | 13 | 905 | 300 | 3979 | 1016年0 | 280 | 10日0 | 1210 | 1210 | 992年,5 | 1061年,5 | 828382 | 504年,7 |
DN 40 - DN 100: 2 [stk]
DN 125 - DN 800: 3 [stk]
DN 900: 4 [stk]
DN 1000: 5 [stk]