gåtil indold.

Vekselventil AT2700.

Vekselventilen直到在kunne servicere正弦sikkerhedsventiler proces- OGkøleinstallationer您想要到哪里人ønsker下,在skulle lukkeanlægget斯内德。

尺寸område. 3/4" - 1 1/4"
Tryktrin PN63.
温度råde

-200℃,+ 120℃

莱特勒 SS316 / PTFE

produktinformation

anvendelse.

Vekselventilen anvendes typiskPåproces-,køle-OG气体installationer您想要到哪里人ønsker在servicere正弦sikkerhedsventiler于登在skulle lukkeanlægget斯内德。阚anvendes配有Armatec / LESER 437/438/459/462 sikkerrhedsventiler。布鲁日直到CO2,NH3,N2,O2,LNG SAMT安德烈放气OGvæsker。

kvalitetsikring.

Ventilerne呃mærketIHT。PED猫。IV.
Produceret IHT。EN1626,AD2000 A4,SAMT OLIE / fedtfri IHT。EN12300

莱特勒

det 草本子
hus SS316.
Kugle SS316.
斯威尔特 SS316.
Ventilhuspakning PTFE.
Sæde PTFE.

OG的Funktion konstruktion

AT2700 Vekselventilen呃opbygget SOM EN 3 vejs kugleventil(T-波烈)。Vekselventilen哈日2定位,SA DER VIL ALTIDværeEN sikkerhedsventil活跃OG EN sikkerhedsventil frakoblet。Ventilens位置fremgårAFmærkningen。Vekselventilens tilgang呃EN尺寸større结束sikkerhedsventilernes tilgang。

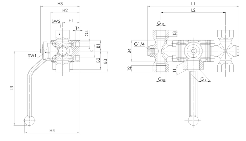
Dimensioner OGvægt

尺寸 15. 20. 25.
Tilgang ISO228 GI. 3/4“ 1“ 1 1/4“
Afgang ISO228 得到了 1/2“ 3/4“ 1“
T1. 20. 20. 21.
T2 / T3 14. 16. 18.
H1. 37. 41. 46.
H2. 64. 72. 82.
H3. 86. 94. 105.
H4. 120. 128. 142.
B1. 23. 23. 33.
B2. 40. 50. 50.
B3. 45. 52. 55.
B4. 47. 62. 66.
L1 198 231. 265.
L2 140. 165. 195
L3 161. 161. 184.
SW1. 9. 9. 14.
SW2. 30. 36. 41.
K. 30. 30. 30.
G4. M10 M10 M10
T4. 10. 10. 10.
测试端口 G1 / 4" G1 / 4" G1 / 4"
Vægt 公斤 2,3 3,8 5,0.
kvs. M3 / H. 6,9. 12,2 23,6

TilbehørOG varianter

阚leveres配有NPT˚Fgevind
塞blokering AF德ekstra tilslutninger

kontaktpersoner.

肯尼斯·霍尔曼

Markedschef INDUSTRI /经理工业销售/理学士Mech.Engineering

+ 45 46 96 00 78
kh@armatec.dk

卡蕾拉森

Salgschef - Maskiningeniør/销售经理

+ 45 40 54 95 00
kl@armatec.dk

彼得·埃里克森

实习生Salg - Teknisk支持/实习生。销售 - 技术。支持

+ 45 46 96 00 80
pe@armatec.dk

约翰尼海德勒

Produktchef /产品经理自动化

+ 45 46 96 00 79
jo@armatec.dk

雅各布Hemicke

Maskinmester / BTechMan&MarEng - Produktchef /产品经理

45 40 74 95 93
jah@armatec.dk

莫恩斯Mouritzen

实习生Salg - Indkøb/内部销售 - 采购

+ 45 46 96 00 75
mm@armatec.dk

布鲁诺·佩德森

Salgsingeniør/销售工程师

+ 45 40 93 40 91
bp@armatec.dk

每汤姆森

Maskinmester /技术学士及MarEng

+ 45 46 96 00 73
pt@armatec.dk

丹尼尔Sigsgaard

SalgsingeniørINDUSTRI /工业销售工程师

+ 45 46 96 00 96/45 51 77 95 74
ds@armatec.dk