gåtil indold.

Armatec Ventil for DigrationStryk-Ellermængderepuleringdv652

Selvvirkende Ventil Til DiglerNstryk EllerMængDerepulering。TilVæske,汽油湿润。Ventilen er i rustfritstålog kan avendes til Rene加工器。Ventilen Tilpasses Opgaven UDFRA OplysningerOMØNSKERFunktion,Medie,Cefenceatur,Tryk OgMængde。

尺寸område. DN15-50
PN. PN16,PN40
温度råde 190℃
莱特勒 SS316.

produktinformation

anvendelse.

对于Væsker,燃气湿润。Ventilen er i rustfritstålog kan avendes til Rene加工器。

kvalitetsikring.

ce-mærkning

ventilerne ermærketiht。佩戴

莱特勒

det 标准130°C 潮湿190°C
hus SS316. SS316.
Fjeder. rustfritstål rustfritstål
Fjederhus SS316. SS316.
EPDM Eller FPM,(选项PTFE衬垫) EPDM / PTFE衬垫
闭锁 Blødtætn。我fepm,alt。FPM Eller EPDM. FEPM,PTFE.
Sæde. SS316. SS316.

Funktion og Konstruktion.

Selvvirkende Ventil Til DiglerNstryk EllerMængDerepulering。标准Tilslutning ER Gevind Eller Flanger。ventiler som标准fødtmedblødtætntingi fepm og membran i epdm。Membranen Kan Beskttes AF EN PTFE衬垫,SÅINKANAnvendes Til Damp Op Til 190°C。Ventilen Fungerer Med Extern飙升。Clampring Mellem Hus OgFjederhusGørEn让Adskille Og Servicere。

kvsværdier

尺寸 15. 20. 25. 32. 40. 50.
1/2“ 3/4“ 1“ 1 1/4“ 1½“ 2“
kvsværdi(m3./ h) 4. 5. 6. 12. 16. 18.

rengérbarhed(max。p1 / p2)

尺寸 15. 20. 25. 32. 40. 50.
1/2“ 3/4“ 1“ 1 1/4“ 1½“ 2“
Indstillingsområdep2
0,02 - 0,12巴洛 80 80 80 50. 50. 50.
0,1 - 0,5巴洛 40. 40. 40. 25. 25. 25.
0,3 - 1,1 maro 30. 30. 30. 18. 18. 18.
0,8 - 12巴洛 20. 20. 20. 12. 12. 12.

mål:

尺寸 15. 20. 25. 32. 40. 50.
trykområder. 1/2“ 3/4“ 1“ 1 1/4“ 1½“ 2“
举办 A. 85. 91. 85. 130. 145. 185.
A1 130. 150. 160. 180. 200. 230.
B. 76. 76. 76. 90. 90. 90.
0,02-0,12 maro. C. 300 300 300 300 300 300
D. 360. 360. 360. 360. 360. 360.
0,1-0,5. C. 300 300 300 300 300 300
D. 264. 264. 264. 264. 264. 264.
0,3-1,1. C. 300 300 300 300 300 300
D. 200. 200. 200. 200. 200. 200.
> 0,8 C. 235. 235. 235. 235. 235. 235.
D. 138. 138. 138. 138. 138. 138.

målim.

mål我mm,vægtikg

vægt:med gevind

尺寸 1/2“ 3/4“ 1“ 1 1/4“ 1½“ 2“
Indstillingsområde.
0,02-0,12 maro. 13,5 13,5 13,5 14.4 14.4 14.4
0,1-0,5. 7,1. 7,1. 7,1. 8. 8. 8.
0,3-1,1. 6,1. 6,1. 6,1. 7. 7. 7.
> 0,8 3,1. 3,1. 3,1. 4. 4. 4.
vægtikg.

vægt:Med Flanger

尺寸 DN15. DN20. DN25 DN32 DN40. DN50.
Indstillingsområde.
0,02-0,12 maro. 15,3 15,3 15,3 18,4 18,4 18,4
0,1-0,5. 8,9. 8,9. 8,9. 12. 12. 12.
0,3-1,1. 7,9. 7,9. 7,9. 11. 11. 11.
> 0,8 4,9. 4,9. 4,9. 8. 8. 8.
vægtikg.

Tilbehørog Varianter

蒂尔为压力计机倾斜
实习生飞行员
OLIE OG FEDTFRI TIL氧气
Lukket Fjederhus OG泄漏TilsLutning for Giftige Eller Farlige Medier
Forskelling Aseptiiske Tilslutninger,AnsiPåforespørgsel。
Ved Mindre OgStørreKapaciteterHar Mankenberg Orterativer。
VandkøletTightBeskttelseforHøjere温度(最大220°C)

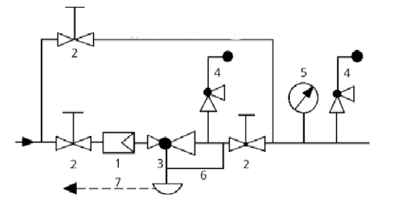
ANBEFALET安装

pos。 det
1。 Snavssamler.
2。 AFSPærrringsventil,evt。我绕过Med SenderingsKegle。
3. Reduktionsventil.
4。 Sikkerhedsventil.
5。 压力计
6。 Ekstern飙升
7。 莱克辛德(期权)

kontaktpersoner.

肯尼斯霍尔曼

MarkedSchef Industri / Manager工业销售/ B.SC.mech.enginering.

+ 45 46 96 00 78
kh@armatec.dk.

KåreLarsen.

Salgschef - Maskiningeniør/销售经理

+ 45 40 54 95 00
kl@armatec.dk.

Peter Eriksen.

实习生Salg - Teknisk支持/实习生。销售 - 技术。支持

+ 45 46 96 00 80
pe@armatec.dk.

雅各布Hemicke.

MaskinMester / Btechman&Mareng - Produktchef /产品经理

+45 40 74 95 93
jah@armatec.dk.

约翰尼霍德勒

Produktchef /产品管理器自动化

+ 45 46 96 00 79
jo@armatec.dk.

Daniel Sigsgaard.

SalgsingeniørIndusti/工业销售工程师

+ 45 46 96 00 96 / + 45 51 77 95 74
ds@armatec.dk.

每个Thomsen.

Maskinmester / Btech&Mareng

+ 45 46 96 00 73
pt@armatec.dk.

Bruno Pedersen.

Salgsingeniør/销售工程师

+ 45 40 93 40 91
bp@armatec.dk.