anvendelse.
Somas kalottventiler, typerne KVTW/ KVTW/ KVXF, er reguleringsventiler, der også kan lukke tæt。文蒂勒内一直到他的朋友去看他的文章temperaturområde。Vælg typerne KVTW og KVTF, med ecxcentrisk lejret spindel, til væsker og forrenede medier m.v. Vælg typerne KVTW og KVTF, med ecxcentrisk lejret spindel, til rene ikke smørende medier som f. væsker og forrenede medier m.v. Vælg typerne KVTW og KVTF, med ecxcentrisk lejret spindel, til rene ikke smørende medier som f. væsker潮湿,气体脱落。
kvalitetssikring.
ventilerne er cemærketiht。ped。
Kan Leveres Med Fire-Safe Certifikat。
标准tæthedsklasseiht。IEC 534-4V(Eller Ansi B16.104等级IV,V Eller VI)。
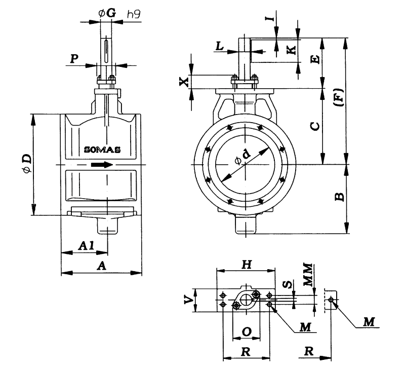
målkvtw/ kvxw
| DN. |
一种 |
A1 |
B. |
C |
Ød. |
Ød. |
E. |
(F) |
Øg. |
H |
一世 |
K. |
L. |
m |
毫米 |
O. |
P. |
R. |
V. |
X |
| 80 |
111. |
64 |
102. |
115. |
75 |
140. |
115. |
230. |
20. |
125. |
5. |
45 |
22日5 |
M12 |
- |
61 |
42 |
98 |
48 |
30. |
| 100. |
125. |
73 |
116. |
140. |
92 |
162 |
115. |
255. |
20. |
125. |
5. |
45 |
22日5 |
M12 |
- |
61 |
42 |
98 |
48 |
30. |
| 150 |
170 |
101. |
151 |
176 |
124. |
216. |
135. |
291 |
25. |
125. |
5. |
45 |
28,0. |
M12 |
- |
66 |
47 |
98 |
50 |
30. |
| 200. |
215. |
124. |
187 |
202. |
156 |
270 |
135. |
377. |
30. |
155 |
5. |
60 |
33岁的0 |
M12 |
24. |
77 |
50 |
123. |
62 |
35. |
| 250. |
260. |
150 |
230. |
242. |
189 |
324. |
135. |
377. |
35. |
155 |
5. |
50 |
38岁的0 |
M12 |
24. |
85 |
55 |
123. |
65 |
50 |
| Mal我mm。 |
|
|
|
|
|
|
|
|
|
|
|
|
|
|
|
|
|
|
|
|
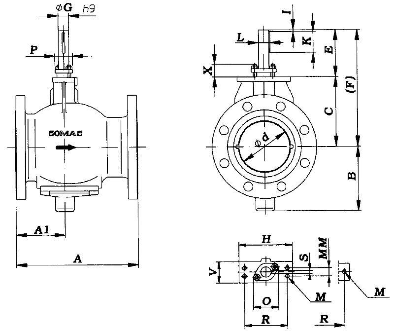
Mal KVTF / KVXF
| DN. |
一种 |
A1 |
B. |
C |
Ød. |
E. |
(F) |
Øg. |
H |
一世 |
K. |
L. |
m |
毫米 |
O. |
P. |
R. |
S. |
V. |
X |
| 80 |
280 |
82 |
102. |
115. |
75 |
115. |
230. |
20. |
125. |
5. |
45 |
22日5 |
M12 |
- |
61 |
42 |
98 |
6. |
48 |
30. |
| 100. |
300 |
94 |
116. |
140. |
92 |
115. |
255. |
20. |
125. |
5. |
45 |
22日5 |
M12 |
- |
61 |
42 |
98 |
6. |
48 |
30. |
| 125. |
325. |
118. |
151 |
176 |
124. |
115. |
291 |
25. |
125. |
5. |
45 |
22日5 |
M12 |
- |
66 |
47 |
98 |
6. |
50 |
30. |
| 150 |
350. |
140. |
187 |
202. |
145. |
135. |
337. |
30. |
155 |
5. |
60 |
33岁的0 |
M12 |
24. |
77 |
50 |
123. |
8. |
62 |
35. |
| 200. |
400. |
159 |
230. |
242. |
189 |
135. |
377. |
35. |
155 |
5. |
50 |
38岁的0 |
M12 |
24. |
85 |
55 |
123. |
10. |
65 |
50 |
| 250. |
450. |
191 |
281 |
297 |
232. |
155 |
452. |
40 |
170 |
5. |
50 |
43,0. |
M12 |
40 |
94 |
75 |
123. |
12. |
85 |
50 |
| 300 |
500. |
210. |
340. |
353. |
282 |
200. |
553. |
50 |
180 |
5. |
80 |
53,5 |
M16 |
55 |
105. |
85 |
136. |
14. |
95 |
50 |
| 350. |
550. |
241. |
385. |
393 |
326. |
210. |
603. |
60 |
225. |
5. |
90 |
64,0. |
M20 |
70 |
115. |
105. |
150 |
18. |
128. |
60 |
| 400. |
600 |
269. |
449. |
447. |
370. |
225. |
672. |
70 |
220. |
6. |
110. |
75. |
M16 |
113. |
162 |
112. |
113. |
20. |
154 |
60 |
| Mal我mm。 |
|
|
|
|
|
|
|
|
|
|
|
|
|
|
|
|
|
|
|
|
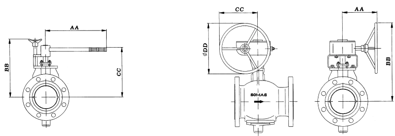
målkvtf / kvxf medhåndtag
| DN. |
类型 |
AA. |
BB. |
CC. |
| 80 |
香港41 |
350. |
220. |
295 |
| 100. |
香港41 |
350. |
250. |
315. |
| Mal我mm。 |
|
|
|
|
målkvtf / kvxf med snekkegear
| DN. |
类型 |
AA. |
BB. |
CC. |
øDD |
| 80 |
M10 / F07. |
210. |
350. |
190 |
255. |
| 100. |
M10 / F07. |
210. |
380. |
190 |
255. |
| 125. |
M12 / F12 |
210. |
415. |
190 |
255. |
| 150 |
M10 / F10 |
255. |
475. |
230. |
305. |
| 200. |
M12 / F12 |
255. |
515. |
230. |
305. |
| 250. |
M15 / F16 |
385. |
755. |
353. |
460. |
| 350. |
M15 / F16 |
385. |
795. |
353. |
460. |
| 400. |
MJF / S5 |
520. |
835. |
270 |
355. |
| Mal我mm。 |
|
|
|
|
|
Funktion og Konstruktion.
Ventilerne Er Konstrueret Til在imødekommeprocesindustriens krav til en god ogpålideligsengeringsventil,derogsåkanlukketæt。Med FritGennemløbog替代材料用于såvelhus somsædeerkalottventilen oftte den UsinerlleløsningPåSupentingsopGaver。Ventilkonstruktionerne byderPåfølgendefordele:
- Kuglesemonet ErFastSpændtPåSpindlenHvilket Betyder Enkel Udskifting AF Segmonet,uden在乌斯勒·阿德斯基尔通风卫生。
- Servicevenlig,SædetKanUdskiftes uden在Demontere Aktuatoren。
- Dobbelt lejring medfører at ventilens momentbehov æ sentt light af differenstrykket over ventilen。
- VentilhUsets UdFormning GiverHøjKapacitet。Jævnførtmed andrevertittyper kan mindre ogmereØkonomiskeventilstørrelseroftte avendes。risiko for propdannelse最小的p.g.a.DetfrieGennemløb。
- Ventilerne Kan Leveres MedStøjreducerendeKugle段(低噪音修剪)在Formindske archmenter MedStøj,kavitation og振动器。
- Servicevenlig:Semontere Aktuator的SædetKanUdskiftes uden。
- TætVentil:Selv Ved Lave DigrationStryk,DaSædet按Mod Kugle-Segmentet V.H.A.等丁烯元素。
Tekniske数据
| 尺寸: |
DN 80 - DN 400 |
| Tryktrin: |
Pn 16-25, ANSI 150 (Pn 20) |
| Tilslutning: |
Mellem Flanger DIN PN 10-25,ANSI 150 |
| 物质人员: |
Se ventilkodesystem下 |
tæthedsklasse.
| 这是一篇关于最重要的材料的文章。 |
|
|
| PTFE-sæ德 |
(kode a) |
IEC 534-4 VI. |
| PTFE 53-Sæde |
(kode b) |
IEC 534-4 VI. |
| Stellit-sæde. |
(Kode T) |
IEC 534-4 IV ALT。V. |
Tryk OgMemenceaturgrænser(afhængigtaf制品我sæderingen)
|
Max。我拒绝了 |
|
|
|
|
Materialekode 年代æder |
150°C |
170°C |
200℃ |
350°C |
> 350°C |
| 一种 |
25. |
25. |
- |
- |
* |
| B. |
25. |
25. |
15. |
- |
* |
| T. |
25. |
25. |
25. |
15. |
* |
| *)Kontakt Armatec。 |
|
|
|
|
|
KAPACITETSFAKTOR KV OG MODSTIVESTALζ适用于KALOTTVENTIL类型KVTW / KVXW
|
Åbningsvinkel. |
|
|
|
|
|
|
|
|
|
| DN. |
10° |
20° |
30° |
40° |
50° |
60° |
70° |
80° |
90° |
ζ90° |
| 80 |
15. |
39. |
67 |
102. |
138. |
184 |
231. |
295 |
340. |
0,57 |
| 100. |
23. |
58 |
101. |
154 |
208. |
276 |
348. |
444. |
510. |
0,62 |
| 150 |
43 |
109. |
189 |
288 |
390 |
519. |
652. |
817. |
925. |
0,44 |
| 200. |
66 |
167 |
288 |
439. |
594. |
790. |
994 |
1268. |
1450 |
0,45 |
| 250. |
97 |
245. |
425. |
646. |
875. |
1162. |
1463 |
1866 |
2150. |
0,44 |
Kapacitetsfaktor Kv og modstandstal ζ为kalottventil型KVTF/KVXF
|
Åbningsvinkel. |
|
|
|
|
|
|
|
|
|
| DN. |
10° |
20° |
30° |
40° |
50° |
60° |
70° |
80° |
90° |
ζ90° |
| 80 |
15. |
29. |
67 |
102. |
138. |
184 |
231. |
295 |
340. |
0,57 |
| 100. |
23. |
58 |
101. |
154 |
208. |
276 |
348. |
444. |
210. |
0,62 |
| 125. |
43 |
109. |
185 |
288 |
390 |
519. |
652. |
817. |
925. |
0,44 |
| 150 |
60 |
153 |
264. |
402. |
544. |
725. |
910. |
1123. |
1295. |
0,42 |
| 200. |
100. |
253. |
437. |
665. |
901 |
1197. |
1507 |
1923 |
2210. |
0,42 |
| 250. |
155 |
390 |
677. |
1030. |
1395 |
1853 |
2333 |
2976 |
3425. |
0,40 |
| 300 |
219. |
552. |
959. |
145. |
1977 |
2626 |
3303. |
4216. |
4850. |
0,38 |
| 350. |
308. |
780. |
1355. |
2058年 |
2793 |
3708 |
4667. |
5952 |
6843 |
0,38 |
| 400. |
385. |
878. |
1698 |
2580. |
3497. |
4645. |
5845. |
7482 |
8570 |
0,38 |
Flangestandarder
Somas Kalottventiler,Typerne KVTW OG KVXW,ER Beregnet forIndspændingMellemFlanger。typerne kvtf og kvxf er forsynet med flanger og kan bores somaførtihitabellen。Ved Bestilling Bedes Modflangernes Trykklasse Oplyst。
Trykklasse ventilhus
| DN. |
KVTW / KVXW |
KVTF / KVXF. |
| 80 |
PN 10/16/20/25 |
PN 10/16/20/25 |
| 100. |
PN 10/16/20/25 |
PN 10/16/20/25 |
| 125. |
- |
PN 10/16/20/25 |
| 150 |
PN 10/16/20. |
PN 10/16/20/25 |
| 200. |
PN 10/16/20. |
PN 10/16/20/25 |
| 250. |
PN 10/16/20. |
PN 10/16/20/25 |
| 300 |
- |
PN 10/16/20/25 |
| 350. |
- |
PN 10/16/20/25 |
| 400. |
- |
PN 10/16/20/25 |
Tilbehørog Varianter
Somas Kalottventiler,Typerne KVTW / KVXW OG KVTW / KVXF KAN Leveres IFølgendeVarianter:
- 为Anvendelse TIL ILT提供积分
- Med Konsol OgSpindelforlængertilhøje温度
- Stellitbelagt Kuglesement
- Med O-RingstætningPå主棉
- 我是Cryo设计
赌注
Somas Kalottventiler,Typerne KVTW / KVXW OG KVTW / KVXF KAN Leveres MedFølgendeBetjeningsmuligheder:
—Håndtag (DN 80 og DN 100)
- Snekkegear (DN 80-400)
——Pneumatisk aktuator
——Elektrisk aktuator
- 定位器,Pneumatisk Eller Elektropneumatisk
Ventilkodesystem
KVTW - A 5 - A B A - B 1 1 - DN ... - PN ...
1 2 3 4 5 6 7 8 9 10 11
1 Ventiltype
中央纺锤,用于indspænding mellem法兰
KVXW(ExcentRisk Lejret Spindel,用于IndspændingMellemFlanger)
中央纺锤
KVXF(ExcentRisk Lejret Spindel)
2 VentilhUsets UdForming
a =适用于Indspændingmellemflanger
B = MEC FLANGER
3 Konstruktionstrykklasse
5 = PN 25
4 = ANSI 150 (pn 20)
3 = PN 16
4产制品 - Ventilhus
A = ss 2343 (aisi 316)
B = SS 2343 hårdtforkromet
C = SS 2353
5材料- kuglessegment
A = ss 2343 (aisi 316)
B = SS 2343 hårdtforkromet
C = SS 2343 StellitBelagt
P = SS 2353 Hårdtforkromet
6产制品 - sædering
一个=聚四氟乙烯
B = PTFE 53
t = stellit.
7产制品 - 主轴
a = ss 2324
B = SS 2324Hårdtforkromet
G = SS 2353 hårdtforkromet
8 Lejring -通风/纺锤
1 =乌登·莱杰
4 = Rulonlejer
7 = ss 2562
9Pakdåsepakning.
1 =格拉夫特
2 =聚四氟乙烯
10 Ventildimension DN.
Trykklasse, modflange nes PN - DIN eller ANSI