Vedligeholdelsesfri bælgsædeventil med flangetilslutning. Ventilen er forsynet med rustfri stålbælg, spindel og metaltættende ventilkegle.
| Dimensionsområde | DN 15-200 |
|---|---|
| PN | 16-40 |
| Temperaturområde | -10 til 400°C |
| Materiale | Støbejern eller stål |
| 1 |
Hus |
FAV 11F: |
GG-25 GS-C25 |
| 2 | Dæksel | Samme som hus | |
| 3 |
Ventilkegle |
DN 15-65: DN 80-200: |
X20 Cr13 GS-C25N |
| 4 |
Spindel |
FAV 11F: FAV 14F: |
X22 Cr Ni17 X22 Cr Ni 17.2 |
| 5 | Tætningsring | Højtrykspakning | |
| 6 | Kropsæde | X10 Cr13 | |
| 7 | Tætningsring | X20 Cr13 | |
| 8 | Pakdasemøtrik | X12 Cr Mo S17 | |
| 9 | Metalbælg | X10 Cr Ni Ti 18.9 | |
| 10 |
Pakdåsepakning |
FAV 11: FAV 12/13/14: |
PTFE imprægneret Grafit |
| 11 |
Bolte |
FAV 11: FAV 12/13/14: |
Stål 8.8 CK 35 |
| 12 | Møtrik | Stål 0.5 | |
| 13 |
Håndhjul |
DN 15-100: DN 125-150: DN 200: |
GK-Al Si7 Cu1 GT-3506 GGG |
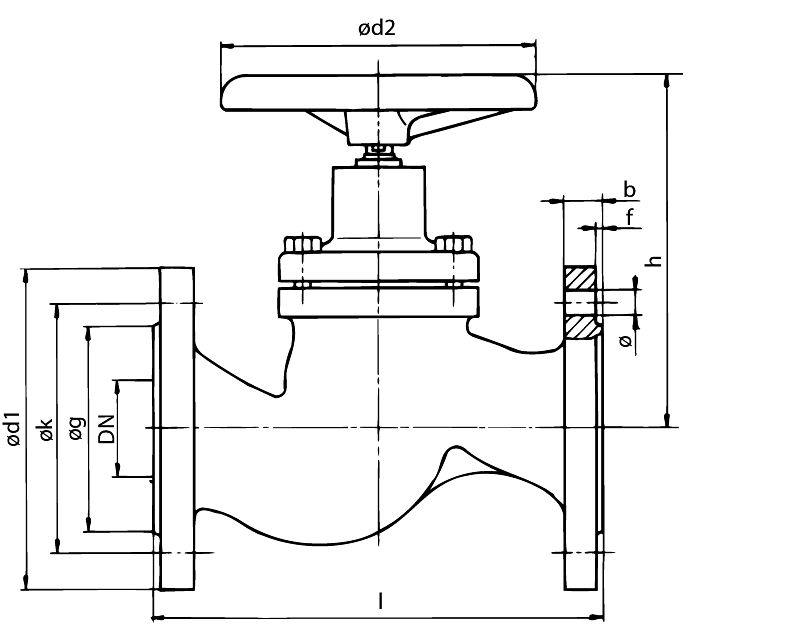
| Tilslutning: | Flanger: DN 15 - DN 200 (DIN 2501) |
| Installation: | Horisontalt og vertikalt |
| Nominelt tryk: | FAV 11F: PN 16, FAV 14F: PN 40 |
| Arbejdsområde: |
FAV 11F: 16 bar/120°C, 13 bar/300°C FAV 14F: 40 bar/120°C, 28 bar/300°C, 21 bar/400°C |
| Materialer: |
FAV 11F: Hus af GG-25 喜欢14 f:溶血性尿毒综合征af GS-C25 Spindel og bælg af rustfrit stål |
| Medie: |
Damp, luft, gas, dieselolie, benzin, by- og naturgas (Ved gas og olieprodukter anvendes hus i stål) |
| Flanger efter DIN 2533 | ||||||||||||||||||||||||
| DN | 15 | 20 | 25 | 32 | 40 | 50 | 65 | 80 | 100 | 125 | 150 | 200 | ||||||||||||
|---|---|---|---|---|---|---|---|---|---|---|---|---|---|---|---|---|---|---|---|---|---|---|---|---|
| I | 130 | 150 | 160 | 180 | 200 | 230 | 290 | 310 | 350 | 400 | 480 | 600 | ||||||||||||
| h | 138 | 138 | 142 | 160 | 169 | 181 | 204 | 237 | 255 | 296 | 335 | 405 | ||||||||||||
| Løft | 7 | 7 | 8 | 10 | 11 | 14 | 16 | 23 | 30 | 34 | 45 | 60 | ||||||||||||
| Ø d1 | 95 | 105 | 115 | 140 | 150 | 165 | 185 | 200 | 220 | 250 | 285 | 340 | ||||||||||||
| Ø k | 65 | 75 | 85 | 100 | 110 | 125 | 145 | 160 | 180 | 210 | 240 | 295 | ||||||||||||
| Ø d2 | 100 | 100 | 100 | 125 | 125 | 160 | 160 | 200 | 200 | 250 | 315 | 315 | ||||||||||||
| Mål i mm. | ||||||||||||||||||||||||
Ventilen er monteret med en stålbælg som sikrer en absolut adskillelse af mediet fra omgivelserne. Mediet kommer således ikkke i kontakt med sikkerhedspakdåsen hvilket gør ventilen 100% vedligeholdelsesfri. Ventilen betjenes ubesværet, selv efter lange perioder i lukket eller åben stilling. Stålbælg og ventilspindel er udført i rustfri stål.
Ventilen kan installeres i vilkårlig stilling.
Markedschef Industri / Manager Industrial Sales / B.SC. Mech.Engineering
Salgsingeniør Industri / Industrial Sales Engineer
Intern Salg - Teknisk Support / Intern. Sales - Tech. Support