Tripple excentrisk butterflyventil til krævende opgaver både til afspærring og regulering. Til væsker gasser, slidende og aggressive medier.
| Dimensionsområde | DN80-500 |
|---|---|
| PN | 10/16/25 |
| Temperaturområde | -40 til + 550 ºC |
| Materiale | Rustfrit stål |
| Artikelnummer | Antal |
|---|---|
| AT MTV |
Til afspærring og regulering. Til væsker gasser, slidende og aggressive media indenfor:
- Skovsindustri
- Kemisk industri
- Petrokemisk industri
- Olielager og raffenaderi
- Processindustri
- Energiproduktion (kraft/varme)
- Offshore
CE-mærkning
Ventilerne er CE-mærket iht. PED.
Kan leveres med fire-safe certifikat.
Standard tæthedsklasse IEC 534-4V (eller ANSI B16.104 class V).
ATEX 94/9 EC (ATEX95) ATEX II 2GD EX cX (zone 0-20 0g 1-21)
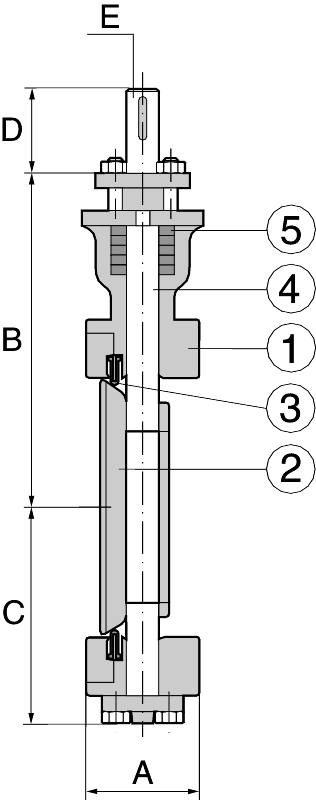
| 1 | Ventilhus | rustfrit stål | SIS 2343 |
| 2 | Klapplade | rustfrit stål | SIS 2343 |
| 3 | Sædesring AT 2281 (MTV 1) | PTFE | |
| Sædesring AT 2282 (MTV 2), AT 2282 HT (MTV 3) | rustfrit stål | SIS 2377 | |
| 4 | Spindel | rustfrit stål | SIS 2324 |
| 5 | Pakdåsepakning | grafit |
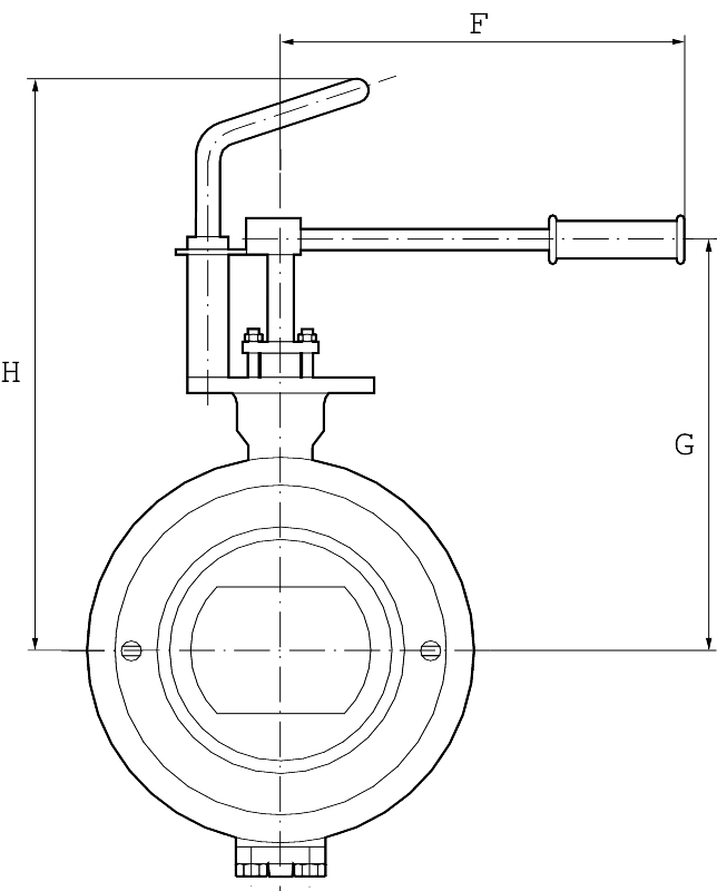
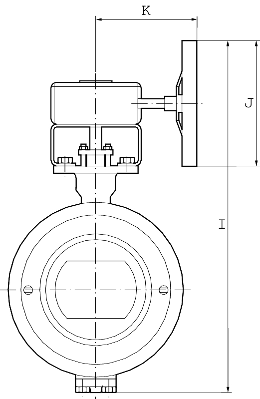
| DN | A | B | C | D | E | F | G | H | I | J | K | Vægt | ||||||||||||
| 80 | 46 | 111 | 67 | 115 | 22,5 | 350 | 290 | 215 | 345 | 255 | 210 | 5 | ||||||||||||
| 100 | 52 | 128 | 80 | 115 | 22,5 | 350 | 305 | 235 | 365 | 255 | 210 | 6 | ||||||||||||
| 125 | 56 | 146 | 94 | 115 | 22,5 | 350 | 325 | 250 | 380 | 255 | 210 | 9 | ||||||||||||
| 150 | 56 | 161 | 108 | 115 | 28 | 500 | 340 | 265 | 395 | 255 | 210 | 11 | ||||||||||||
| 200 | 60 | 191 | 135 | 115 | 28 | 500 | 370 | 295 | 425 | 255 | 210 | 17 | ||||||||||||
| 250 | 68 | 225 | 162 | 135 | 33 | - | - | - | 495 | 305 | 255 | 26 | ||||||||||||
| 300 | 78 | 265 | 182 | 135 | 38 | - | - | - | 535 | 305 | 255 | 39 | ||||||||||||
| 350 | 78 | 294 | 216 | 155 | 43 | - | - | - | 615 | 355 | 275 | 59 | ||||||||||||
| 400 | 102 | 330 | 243 | 200 | 53,5 | - | - | - | 725 | 460 | 330 | 82 | ||||||||||||
| 500 | 127 | 395 | 295 | 210 | 64 | - | - | - | 800 | 460 | 335 | 149 | ||||||||||||
| Mål i mm, vægt i kg, for ventil med fri spindelende. | ||||||||||||||||||||||||
| MTV | Arbejdstryk max. bar | Arbejdstemp max °C |
|---|---|---|
| MTV1, AT 2281 | 25/16 | +150/170°C |
| MTV2, AT 2282 | 25/16 | +150°C |
| MTV3, AT 2282HT | 25 | +350°C |
| ved temp. over 150°C, anvendes hårforkromet spindel |
| DN | Kvs- | Drejningsmoment (Nm) ved dP 10 bar | |
|---|---|---|---|
| værdi | min. (ventil) | max. tilladt for spindel | |
| 80 | 205 | 100 | 150 |
| 100 | 326 | 120 | 220 |
| 125 | 523 | 180 | 220 |
| 150 | 784 | 200 | 300 |
| 200 | 1397 | 250 | 350 |
| 250 | 2222 | 400 | 600 |
| 300 | 3535 | 500 | 750 |
| 350 | 4362 | 800 ved dP8 bar | 1200 |
| 400 | 5805 | 1000 ved dP 8bar | 1600 |
| 500 | 9117 | 1900 ved dP 6 bar | 3250 |
Ventil til højere temperaturer og tryk (+550°C med sæde i Hastelloy)
Ventiler i større DN.
Poleret finish.
Spindel m. O-ringstætning.
LUG og dobbeltflanget udførsel.
Betjening
- Ventilerne leveres som standard med håndtag for DN 80-125 og DN 150-1200 med håndhjulsgear.
- Pneumatisk aktuator
- Elektrisk aktuator
| DN | Flanger ifølge | |
|---|---|---|
| 80-500 | DIN 2501-PN 25/16/10 | |
Se også separat instruktion (MTV). |
||
Markedschef Industri / Manager Industrial Sales / B.SC. Mech.Engineering
Salgsingeniør Industri / Industrial Sales Engineer
Intern Salg - Teknisk Support / Intern. Sales - Tech. Support
Maskinmester / BTechMan & MarEng - Produktchef / Product Manager