gåtil indold.

Armatec Kontraventil Kv46a.

metallisktættende。Kontraventilen ER AF S三文文字。Kan Installeres Vandret Og Lodret。I SyrefastStålTILVæsker,潮湿,烧瓶,aggesive medier。

尺寸område. DN15-200.
PN. 10-40
温度råde 400℃
莱特勒 SS316.

produktinformation

anvendelse.

所有圆形的kontraventil med fjeder og ventilplade for sandwichindbygning mellem standaranger。Kan Anvendes TilVæsker,Gaserter OG潮湿。

莱特勒

类型 kv46a.
hus SS316.
普罗德 SS316.
Fjeder. Rustfri 1.4401.
VVS NR。 431418.

Tekniske数据

安装 vertikalt eller horisontalt.
Nominelt Tryk. KV46A:PN40
Arbejdsgrænserdin2401 kv46a. 40 BARG / 120°C,27 BARO / 400°C

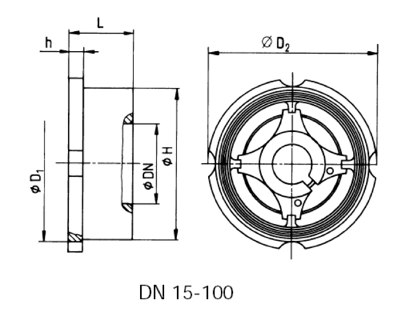
målogvægt.

DN. 15. 20. 25. 32. 40. 50. 65. 80 100. 125. 150. 200.
l DIN 3202. 16. 19. 22. 28. 32. 40. 46. 50. 60. 90. 106. 140.
H 4. 4. 5. 5. 5. 8. 8. 8. 9.
H 38. 45. 55. 68. 79. 93. 113. 128. 148.
d1 pn6. 43. 53. 63. 75. 85. 95. 115. 133. 164. 192. 218. 273.
D2 PN10 / 40 50. 60. 70 81. 91. 106. 126. 144. 170.
vægtikg. 0,1 0,2 0,25 0,45 0,6 1,0 1,6 2,3 3,5. 8. 11. 21.
kvs. 4. 7,5. 10. 18. 27. 40. 69. 90. 150. 200. 310. 540.

Åbningstryki mbar.

DN. 15. 20. 25. 32. 40. 50. 65. 80 100. 125. 150. 200.
流动nedefra. 22. 25. 25. 27. 28. 29. 30. 31. 33. 33. 38. 46.
流量vandret. 22. 22. 22. 23. 24. 24. 25. 25. 26. 21. 24. 26.
流动oppefra. 20. 20. 20. 20. 20. 20. 20. 20. 20. 10. 10. 10.
流动nedefra uden fjeder 2,5 2,5 2,5 3,5. 4. 4,5 5. 5,5. 6,5. 11,5 14. 16.

kontaktpersoner.

肯尼斯霍尔曼

MarkedSchef Industri / Manager工业销售/ B.SC.mech.enginering.

+ 45 46 96 00 78
kh@armatec.dk.

KåreLarsen.

Salgschef - Maskiningeniør/销售经理

+ 45 40 54 95 00
kl@armatec.dk.

Peter Eriksen.

实习生Salg - Teknisk支持/实习生。销售 - 技术。支持

+ 45 46 96 00 80
pe@armatec.dk.

雅各布Hemicke.

Maskinmester / Btechman&Mareng - Produktchef /产品经理

+45 40 74 95 93
jah@armatec.dk.

约翰尼霍德勒

Produktchef /产品管理器自动化

+ 45 46 96 00 79
jo@armatec.dk.

Daniel Sigsgaard.

SalgsingeniørIndusti/工业销售工程师

+ 45 46 96 00 96 / + 45 51 77 95 74
ds@armatec.dk.

Mogens Mouritzen.

实习生Salg - Indkøb/内部销售 - 采购

+ 45 46 96 00 75
mm@armatec.dk.

每个Thomsen.

Maskinmester / Btech&Mareng

+ 45 46 96 00 73
pt@armatec.dk.

Bruno Pedersen.

Salgsingeniør/销售工程师

+ 45 40 93 40 91
bp@armatec.dk.