Ga直到indhold

Armatec kontraventil KV41

Metallisk tættende。三明治式打字机。Kan安装了vandret og lodret。

Dimensionsomrade dn15 - 200
PN 10/16
Temperaturomrade 200°C
材料 弄乱

Produktinformation

Grundata

Dimensionsomrade PN Temperaturomrade 材料
dn15 - 200 10/16 200°C 弄乱

Anvendelse

四周都是用于三明治和标准法兰的通风板。他的身体很潮湿。

材料

类型 KV41 (dn15 - 100) KV41 (dn125 - 200)
溶血性尿毒综合征 弄乱 GG25
Plade Rustfri SS316 GG25
Fjeder Rustfri SS303 Rustfri
VVS nr。 431411 431411

Tekniske数据

安装 Vertikalt埃勒horisontalt
Nominelt tryk KV41: PN16
Arbejdsgræ西里诺克斯DIN2401 KV41 16大气压/120°C, 13大气压/200°C

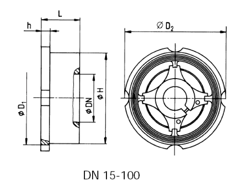
Mal og vægt

DN 15 20. 25 32 40 50 65 80 One hundred. 125 150 200
L DIN 3202 16 19 22 28 32 40 46 50 60 90 106 140
h 4 4 5 5 5 8 8 8 9
H 38 45 55 68 79 93 113 128 148
D1 PN6 43 53 63 75 85 95 115 133 164 192 218 273
D2 PN10/40 50 60 70 81 91 106 126 144 170
Vægt公斤 0 1 0,2 0, 25 0, 45 0, 6 1,0 1、6 2,3 3、5 8 11 21
变电站 4 7,5 10 18 27 40 69 90 150 200 310 540

Abningstryk我mbar

DN 15 20. 25 32 40 50 65 80 One hundred. 125 150 200
流nedefra 22 25 25 27 28 29 30. 31 33 33 38 46
流vandret 22 22 22 23 24 24 25 25 26 21 24 26
流oppefra 20. 20. 20. 20. 20. 20. 20. 20. 20. 10 10 10
请向我流去 2,5 2,5 2,5 3、5 4 4,5 5 5、5 6、5 11日,5 14 16

Kontaktpersoner

肯尼斯小岛

工业/工业销售经理/机械学士。工程

+ 45 46 96 00 78
kh@armatec.dk

凯尔拉森

Salgschef - Maskiningeniør /销售经理

+ 45 40 54 95 00
kl@armatec.dk

彼得•埃里克森

实习生Salg - Teknisk支持/实习生。销售-技术支持

+ 45 46 96 00 80
pe@armatec.dk

雅各Hemicke

Maskinmester / BTechMan & MarEng - producktchef /产品经理

+45 40 74 95 93
jah@armatec.dk

约翰尼Heidler

产品部经理/产品经理自动化

+ 45 46 96 00 79
jo@armatec.dk

丹尼尔Sigsgaard

Salgsingeniør Industri /工业销售工程师

+45 46 96 00 96 / +45 51 77 95 74
ds@armatec.dk

Mogens Mouritzen

实习Salg - Indkøb /内部销售-采购

+ 45 46 96 00 75
mm@armatec.dk

每Thomsen

Maskinmester / BTech & MarEng

+ 45 46 96 00 73
pt@armatec.dk

彼得森布鲁诺

Salgsingeniør /销售工程师

+ 45 40 93 40 91
bp@armatec.dk